Стенды для ремонта плат KuASY
-
sergey
- Сообщения: 65
- Зарегистрирован: 09 фев 2009, 09:45
- Страна, Регион, Область: USSR
- Город: Pskov
- Откуда: Pskov
- Благодарил (а): 0
- Поблагодарили: 2 раза
Стенды для ремонта плат KuASY
Для начала решил выложить стенд по ремонту плат счётчиков SAE и EFE. Как я убедился, грамотно отремонтировать счетчик без стенда - практически нереально(если только методом тыка). Схема рабочая, собрана лет 10 назад. Можно восстановить самые "убитые" платы. Сфоткать схемы не получится - сильно трухлявые и заляпанные разными непотребностями(над оригиналом с лупой сидеть приходится). Сам стенд(компоновку) сфоткаю - выложу.http://rapid4get.com/download.php?file=1271
Сделать можно всё, но не всё следует делать.
- Бегемот
- Сообщения: 2815
- Зарегистрирован: 03 окт 2009, 13:39
- Страна, Регион, Область: Россия
- Город: Владимир
- Откуда: Из Аршинцево, г. Керчь, Крым-Россия.
- Благодарил (а): 53 раза
- Поблагодарили: 166 раз
- Контактная информация:
Re: Стенды для ремонта плат KuASY
Схемы нужно под сканер, он лучше всякой лупы.
Бегемот!!! Ты меня не зли!!! ©Олька
- ПластСтер
- Сообщения: 2936
- Зарегистрирован: 29 окт 2009, 13:15
- Страна, Регион, Область: Россия
- Город: Стерлитамак
- Откуда: Как все
- Благодарил (а): 465 раз
- Поблагодарили: 807 раз
- Контактная информация:
Re: Стенды для ремонта плат KuASY
Стенды, стенды. Проходили. По две недели колдовали с платами. Теперь Овен работает. Сейчас хотим попробовать Дельту. Обещают лучше и дешевле. Сделаем выложу.
Звать меня, Сергей
-
anvo
- Сообщения: 18
- Зарегистрирован: 24 мар 2009, 19:40
- Страна, Регион, Область: Россия
- Город: Москва
- Благодарил (а): 1 раз
- Поблагодарили: 0
Re: Стенды для ремонта плат KuASY
Дельта это видимо программируемый контроллер. Не подскажите сроки и цену вопроса для куаси (можно в личку).ПластСтер писал(а):Стенды, стенды. Проходили. По две недели колдовали с платами. Теперь Овен работает. Сейчас хотим попробовать Дельту. Обещают лучше и дешевле. Сделаем выложу.
-
sergey
- Сообщения: 65
- Зарегистрирован: 09 фев 2009, 09:45
- Страна, Регион, Область: USSR
- Город: Pskov
- Откуда: Pskov
- Благодарил (а): 0
- Поблагодарили: 2 раза
Re: Стенды для ремонта плат KuASY
Стенды, стенды. Проходили. По две недели колдовали с платами. Теперь Овен работает. Сейчас хотим попробовать Дельту. Обещают лучше и дешевле. Сделаем выложу.
Ну оно конечно. Стенды эти для тех, кто что-то руками делать ещё не разучился. У всех этих контроллеров свои заморочки, а при хорошем отношении те же KuASY ещё 100 лет отработают. Ремонт со стендом - max день(и самому интересно).
Спроектированы KuASY грамотно, ремонтируются на уровне отдельных элементов, не зависят от того, кто писал программу на контроллер.
Столнулся с такой вещью - станочек на "OВЕН" фрезерует углы на оконных профилях. Типа ТПА, тоже по концевикам ездит(цикловое ЧПУ, вместо гидравлики-пневматика). Забито в программе - если сбился с цикла (что-то не в той последовательности включилось) - отрубается. Приехал, посмотрел, определился - программа. Звоним к изготовителям - перечислите такую - то сумму. Затем диктуют последовательность нажатия концевиков для иницилизации контроллера. Что характерно, у них забито это по стеку, каждый раз последовательность разная, но плати каждый раз. Самое обидное, хоть я это и определил, мне заплатили, т.к. не починил: 0,0000000хрен.
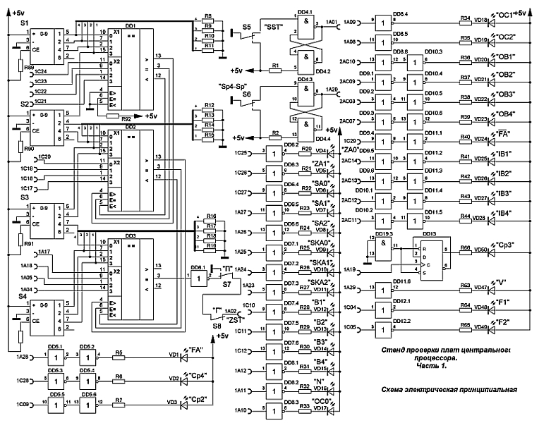
Сейчас заканчиваю рисование стендика по ремонту плат процессора. Скоро выложу.
Ну оно конечно. Стенды эти для тех, кто что-то руками делать ещё не разучился. У всех этих контроллеров свои заморочки, а при хорошем отношении те же KuASY ещё 100 лет отработают. Ремонт со стендом - max день(и самому интересно).
Спроектированы KuASY грамотно, ремонтируются на уровне отдельных элементов, не зависят от того, кто писал программу на контроллер.
Столнулся с такой вещью - станочек на "OВЕН" фрезерует углы на оконных профилях. Типа ТПА, тоже по концевикам ездит(цикловое ЧПУ, вместо гидравлики-пневматика). Забито в программе - если сбился с цикла (что-то не в той последовательности включилось) - отрубается. Приехал, посмотрел, определился - программа. Звоним к изготовителям - перечислите такую - то сумму. Затем диктуют последовательность нажатия концевиков для иницилизации контроллера. Что характерно, у них забито это по стеку, каждый раз последовательность разная, но плати каждый раз. Самое обидное, хоть я это и определил, мне заплатили, т.к. не починил: 0,0000000хрен.
Сейчас заканчиваю рисование стендика по ремонту плат процессора. Скоро выложу.
Сделать можно всё, но не всё следует делать.
-
croc
- Сообщения: 545
- Зарегистрирован: 14 апр 2009, 16:52
- Откуда: ryazan
- Благодарил (а): 7 раз
- Поблагодарили: 13 раз
Re: Стенды для ремонта плат KuASY
Многие вам сказут большое спасибо.sergey
Лет восемь назад купили немного разграбленный куаси. Купили недостающую
плату с пзу. Вставили, не работает. Неделю искал пробником неисправность в плате.
В итоге запустил и работает до сих пор. Правда два маленьких куаси переделал.
Но те много времени на улице стояли. Решил не заморачиваться и спаял контроллеры
самодельные. Тоже молотят без проблем.
Ждем продолжения. Огромное спасибо.
Если можно, то фотки тоже.
- ПластСтер
- Сообщения: 2936
- Зарегистрирован: 29 окт 2009, 13:15
- Страна, Регион, Область: Россия
- Город: Стерлитамак
- Откуда: Как все
- Благодарил (а): 465 раз
- Поблагодарили: 807 раз
- Контактная информация:
Re: Стенды для ремонта плат KuASY
Спроектированы KuASY грамотно, ремонтируются на уровне отдельных элементов, не зависят от того, кто писал программу на контроллер.
Столнулся с такой вещью - станочек на "OВЕН" фрезерует углы на оконных профилях. Типа ТПА, тоже по концевикам ездит(цикловое ЧПУ, вместо гидравлики-пневматика). Забито в программе - если сбился с цикла (что-то не в той последовательности включилось) - отрубается. Приехал, посмотрел, определился - программа. Звоним к изготовителям - перечислите такую - то сумму. Затем диктуют последовательность нажатия концевиков для иницилизации контроллера. Что характерно, у них забито это по стеку, каждый раз последовательность разная, но плати каждый раз. Самое обидное, хоть я это и определил, мне заплатили, т.к. не починил: 0,0000000хрен.
Сейчас заканчиваю рисование стендика по ремонту плат процессора. Скоро выложу.[/quote]
У нас дешевле. Один раз заплатил за программу, и она твоя. Заглючил контроллер, подключил к буку, перезарядил, и поехали. Хотя за время эксплуатации сбои были только на Одесском, Куаси не раз не сбивался. тьфу-тьфу. :D , а то сейчас нахвалюсь. А вот с ПЗУ проблемы бывали. И спасала только покупка новой платы, а колужские качеством не блещут(не примите за рекламу). А родных и дорого и не достать. Я покупал одну плату родную, за 550 уе. Вот с этого и решился на контроллеры. Да к томуже и доп функции дописываем, и регулятор Т включаем.
Столнулся с такой вещью - станочек на "OВЕН" фрезерует углы на оконных профилях. Типа ТПА, тоже по концевикам ездит(цикловое ЧПУ, вместо гидравлики-пневматика). Забито в программе - если сбился с цикла (что-то не в той последовательности включилось) - отрубается. Приехал, посмотрел, определился - программа. Звоним к изготовителям - перечислите такую - то сумму. Затем диктуют последовательность нажатия концевиков для иницилизации контроллера. Что характерно, у них забито это по стеку, каждый раз последовательность разная, но плати каждый раз. Самое обидное, хоть я это и определил, мне заплатили, т.к. не починил: 0,0000000хрен.
Сейчас заканчиваю рисование стендика по ремонту плат процессора. Скоро выложу.[/quote]
У нас дешевле. Один раз заплатил за программу, и она твоя. Заглючил контроллер, подключил к буку, перезарядил, и поехали. Хотя за время эксплуатации сбои были только на Одесском, Куаси не раз не сбивался. тьфу-тьфу. :D , а то сейчас нахвалюсь. А вот с ПЗУ проблемы бывали. И спасала только покупка новой платы, а колужские качеством не блещут(не примите за рекламу). А родных и дорого и не достать. Я покупал одну плату родную, за 550 уе. Вот с этого и решился на контроллеры. Да к томуже и доп функции дописываем, и регулятор Т включаем.
Звать меня, Сергей
-
sergey
- Сообщения: 65
- Зарегистрирован: 09 фев 2009, 09:45
- Страна, Регион, Область: USSR
- Город: Pskov
- Откуда: Pskov
- Благодарил (а): 0
- Поблагодарили: 2 раза
Re: Стенды для ремонта плат KuASY
Калужские платы - это вообще отдельная песня. Сделана на плохом текстолите - меняешь микросхему - заколебешься дорожки восстанавливать. Вдобавок такие все из себя секретные - маркировка микросхем каким-то дерьмом замазана, типа черного лака.
А глючит математика из-за того, что у немцев использована U555 (аналог К573РФ1), требующая 3 напряжения питания +5в, -5в, +12в. Я обычно делаю простенькую переделку немецкой платы на К573РФ2(РФ5). И блок питания -5в, +12в можно спокойно выкидывать из корзины. После такой переделки отказы по математике не встречаются почему-то.
А вот и стенд по ремонту плат процессора. http://rapid4get.com/download.php?file=1273
Если есть вопросы - задавайте.
А глючит математика из-за того, что у немцев использована U555 (аналог К573РФ1), требующая 3 напряжения питания +5в, -5в, +12в. Я обычно делаю простенькую переделку немецкой платы на К573РФ2(РФ5). И блок питания -5в, +12в можно спокойно выкидывать из корзины. После такой переделки отказы по математике не встречаются почему-то.
А вот и стенд по ремонту плат процессора. http://rapid4get.com/download.php?file=1273
Если есть вопросы - задавайте.
Последний раз редактировалось sergey 20 дек 2010, 08:31, всего редактировалось 1 раз.
Сделать можно всё, но не всё следует делать.
- Бегемот
- Сообщения: 2815
- Зарегистрирован: 03 окт 2009, 13:39
- Страна, Регион, Область: Россия
- Город: Владимир
- Откуда: Из Аршинцево, г. Керчь, Крым-Россия.
- Благодарил (а): 53 раза
- Поблагодарили: 166 раз
- Контактная информация:
Re: Стенды для ремонта плат KuASY
Протестирую новые изменения по аттачам)
Бегемот!!! Ты меня не зли!!! ©Олька
Re: Стенды для ремонта плат KuASY
Какие все умные стали ( фраза из телевизора ) ПРИВЕТ Сергей я в понедельник еду в Питер. До тебя доберусь только во вторник после обеда с большим уважением пилот.
-
sergey
- Сообщения: 65
- Зарегистрирован: 09 фев 2009, 09:45
- Страна, Регион, Область: USSR
- Город: Pskov
- Откуда: Pskov
- Благодарил (а): 0
- Поблагодарили: 2 раза
Re: Стенды для ремонта плат KuASY
Есть простенькая, но полезная схемка(а вдруг кому-то надо) для проверки декадных переключателей. Берём разъем с подходящим шагом контактов(н-р СНО63-32/95), обрезаем всё лишнее и прямо на нём распаиваем.
Методика проверки:
Отстёгиваем с корзины разъём Х176, откидываем панель с кнопками и декадниками и прямо на контакты декадника втыкаем схемку. С внешнего ИП подаём +5в. Перещелкиваем от 0 до 9 и смотрим реакцию в кодах 1-2-4-8 по светодиодам. Отрубаем питание, переставляем на следующий, и т. д.
Взамен приобретаете уверенность, что времена заданные декадниками на плату счётчиков передаются правильно.
Методика проверки:
Отстёгиваем с корзины разъём Х176, откидываем панель с кнопками и декадниками и прямо на контакты декадника втыкаем схемку. С внешнего ИП подаём +5в. Перещелкиваем от 0 до 9 и смотрим реакцию в кодах 1-2-4-8 по светодиодам. Отрубаем питание, переставляем на следующий, и т. д.
Взамен приобретаете уверенность, что времена заданные декадниками на плату счётчиков передаются правильно.
Сделать можно всё, но не всё следует делать.
-
sergey
- Сообщения: 65
- Зарегистрирован: 09 фев 2009, 09:45
- Страна, Регион, Область: USSR
- Город: Pskov
- Откуда: Pskov
- Благодарил (а): 0
- Поблагодарили: 2 раза
Re: Стенды для ремонта плат KuASY
Выкладываю ещё стенд по ремонту плат ввода-вывода.http://rapid4get.com/download.php?file=1283
Сделать можно всё, но не всё следует делать.
-
XACAH
- Сообщения: 144
- Зарегистрирован: 12 июл 2010, 20:25
- Страна, Регион, Область: Удмуртия
- Город: Ижевск
- Благодарил (а): 0
- Поблагодарили: 1 раз
Re: Стенды для ремонта плат KuASY
Спасибо, Сергей, как раз кстати (задымели у меня на неделе ла13 в декадниках). радуюсь что хоть на 1400 это случилось, а не на 410-ке. Мучений было...
Ни у кого, кстати, схемы блока питания с описанием нигде не завалялось?
Ни у кого, кстати, схемы блока питания с описанием нигде не завалялось?
-
sergey
- Сообщения: 65
- Зарегистрирован: 09 фев 2009, 09:45
- Страна, Регион, Область: USSR
- Город: Pskov
- Откуда: Pskov
- Благодарил (а): 0
- Поблагодарили: 2 раза
Re: Стенды для ремонта плат KuASY
Схема блока питания + 5В с описанием: http://rapid4get.com/download.php?file=1313
- За это сообщение автора sergey поблагодарил:
- Сергей Никулин
- Рейтинг: 5%
Сделать можно всё, но не всё следует делать.
-
sergey
- Сообщения: 65
- Зарегистрирован: 09 фев 2009, 09:45
- Страна, Регион, Область: USSR
- Город: Pskov
- Откуда: Pskov
- Благодарил (а): 0
- Поблагодарили: 2 раза
Re: Стенды для ремонта плат KuASY
Дико извиняюсь, транзистор V14 структуры р-н-р(а не н-р-н, как нарисовано), рисовал с немецкого оригинала, там именно так ;)
Сделать можно всё, но не всё следует делать.
-
sergey
- Сообщения: 65
- Зарегистрирован: 09 фев 2009, 09:45
- Страна, Регион, Область: USSR
- Город: Pskov
- Откуда: Pskov
- Благодарил (а): 0
- Поблагодарили: 2 раза
Re: Стенды для ремонта плат KuASY
Фото стенда счетчика:
Сделать можно всё, но не всё следует делать.
-
sergey
- Сообщения: 65
- Зарегистрирован: 09 фев 2009, 09:45
- Страна, Регион, Область: USSR
- Город: Pskov
- Откуда: Pskov
- Благодарил (а): 0
- Поблагодарили: 2 раза
Re: Стенды для ремонта плат KuASY
Фото стенда ввода-вывода:
Сделать можно всё, но не всё следует делать.
-
sergey
- Сообщения: 65
- Зарегистрирован: 09 фев 2009, 09:45
- Страна, Регион, Область: USSR
- Город: Pskov
- Откуда: Pskov
- Благодарил (а): 0
- Поблагодарили: 2 раза
Re: Стенды для ремонта плат KuASY
Фото стенда процессора - делал самым первым, году в 97-98, поэтому такой корявый получился.
Сделать можно всё, но не всё следует делать.
-
sergey
- Сообщения: 65
- Зарегистрирован: 09 фев 2009, 09:45
- Страна, Регион, Область: USSR
- Город: Pskov
- Откуда: Pskov
- Благодарил (а): 0
- Поблагодарили: 2 раза
Re: Стенды для ремонта плат KuASY
Стенд процессора сделан ещё пайкой, а не накруткой. Вместо К561ИП2 использованы К555СП1.
Сделать можно всё, но не всё следует делать.
-
sergey
- Сообщения: 65
- Зарегистрирован: 09 фев 2009, 09:45
- Страна, Регион, Область: USSR
- Город: Pskov
- Откуда: Pskov
- Благодарил (а): 0
- Поблагодарили: 2 раза
Re: Стенды для ремонта плат KuASY
Процессорная плата EFE 20-55.04 http://rapid4get.com/download.php?file=1821
Выкладываю "как есть". Немецкий оригинал совершенно не читаемый, могут быть ошибки. Если какие обнаружите-пишите, буду исправлять. Схема нарисована в программе SPLAN 5.0, формат чертежа .spl. На переключателе SQ1 номера контактов не проставлены изначально-смотрите по дорожкам на плате. Описание платы см. выше(на стенд).
Выкладываю "как есть". Немецкий оригинал совершенно не читаемый, могут быть ошибки. Если какие обнаружите-пишите, буду исправлять. Схема нарисована в программе SPLAN 5.0, формат чертежа .spl. На переключателе SQ1 номера контактов не проставлены изначально-смотрите по дорожкам на плате. Описание платы см. выше(на стенд).
Сделать можно всё, но не всё следует делать.
-
sergey
- Сообщения: 65
- Зарегистрирован: 09 фев 2009, 09:45
- Страна, Регион, Область: USSR
- Город: Pskov
- Откуда: Pskov
- Благодарил (а): 0
- Поблагодарили: 2 раза
Re: Стенды для ремонта плат KuASY
Наверно сервер рапидовский накрылся. Вкладываю все что было в этой теме одним файломhttp://ifolder.ru/22726577 (с исправленными ошибками, какие нашел).
Сделать можно всё, но не всё следует делать.
Кто сейчас на конференции
Сейчас этот форум просматривают: нет зарегистрированных пользователей и 7 гостей