Принимайте новеньких. Куаси 170/55
-
- Сообщения: 87
- Зарегистрирован: 22 мар 2023, 10:16
- Страна, Регион, Область: Россия
- Город: Москва
- Благодарил (а): 6 раз
- Поблагодарили: 1 раз
Re: Принимайте новеньких. Куаси 170/55
Символы могли поменяться(измениться со временем) - ? меня смущает , что нет пунктира (или его не винно) и стрелка не просто вниз , а буквой Г ?
Вижу ПОХОЖИЙ на предохранительный(ограничивающий) не регулируемый клапан ! Или я не тот букварь нашел ?
Вижу ПОХОЖИЙ на предохранительный(ограничивающий) не регулируемый клапан ! Или я не тот букварь нашел ?
Последний раз редактировалось sp34 25 мар 2023, 11:10, всего редактировалось 3 раза.
-
- Эксперт Гидравлик
- Сообщения: 5584
- Зарегистрирован: 24 окт 2012, 20:41
- Страна, Регион, Область: СССР
- Город: Деревня Малая Малявня
- Откуда: деревня МАЛАЯ МАЛЯВНЯ
- Благодарил (а): 602 раза
- Поблагодарили: 816 раз
Re: Принимайте новеньких. Куаси 170/55
Это не так. Символы мировой стандарт. И не изменны как карданный вал. У нас на схеме упрощенное обозначение и стрелку регулировки не всегда и обязательно указывать. Специалисты об этом знают. Полное изображение так же используют. Клапан с пилотным управлением. Полная схема. И на рисунке твой родной предохранительный клапан блочного исполнения ввертной. И Твой насос. Двух поточный шиберный.
- Вложения
-
- Scan Шиберный насос.jpg (17.42 КБ) 2762 просмотра
-
- Scan Шиберный насос ORSTA -DDR.jpg (17.59 КБ) 2762 просмотра
-
- 185781_243318412467275_1611615619_n.jpg (24.94 КБ) 2762 просмотра
-
- i (18).jpeg (29.85 КБ) 2762 просмотра
Последний раз редактировалось ЗЮМ 25 мар 2023, 11:26, всего редактировалось 1 раз.
-
- Сообщения: 87
- Зарегистрирован: 22 мар 2023, 10:16
- Страна, Регион, Область: Россия
- Город: Москва
- Благодарил (а): 6 раз
- Поблагодарили: 1 раз
Re: Принимайте новеньких. Куаси 170/55
О какой стрелке сейчас идет речь ? у нас что регулируемый клапан установлен в системе ?
Давайте досконально дадим разъяснение именно этому элементу схемы. так как это скорее всего клапан двойного назначения или сдвоенный!
Давайте досконально дадим разъяснение именно этому элементу схемы. так как это скорее всего клапан двойного назначения или сдвоенный!
-
- Эксперт Гидравлик
- Сообщения: 5584
- Зарегистрирован: 24 окт 2012, 20:41
- Страна, Регион, Область: СССР
- Город: Деревня Малая Малявня
- Откуда: деревня МАЛАЯ МАЛЯВНЯ
- Благодарил (а): 602 раза
- Поблагодарили: 816 раз
Re: Принимайте новеньких. Куаси 170/55
Согласен, стрелка должна быть. Ну вот не нарисовали немецкие студенты. Они и демпферы рисуют 0.8 мм в трубах большого диаметра. Человеческий фактор. Логика. Давление же регулировать надо.
Последний раз редактировалось ЗЮМ 25 мар 2023, 11:38, всего редактировалось 1 раз.
-
- Эксперт Гидравлик
- Сообщения: 5584
- Зарегистрирован: 24 окт 2012, 20:41
- Страна, Регион, Область: СССР
- Город: Деревня Малая Малявня
- Откуда: деревня МАЛАЯ МАЛЯВНЯ
- Благодарил (а): 602 раза
- Поблагодарили: 816 раз
Re: Принимайте новеньких. Куаси 170/55
Не сдвоенный а клапан не прямого действия. Состоит из двух клапанов. Стрелка там одна. Так же и регулировочный винт один. По внешнему виду видно что он регулируемый. Понял, Ролики ссылки не смотрел

- Вложения
-
- 185781_243318412467275_1611615619_n.jpg (24.94 КБ) 2739 просмотров
-
- i (18).jpeg (29.85 КБ) 2739 просмотров
-
- Сообщения: 87
- Зарегистрирован: 22 мар 2023, 10:16
- Страна, Регион, Область: Россия
- Город: Москва
- Благодарил (а): 6 раз
- Поблагодарили: 1 раз
Re: Принимайте новеньких. Куаси 170/55
Вот и истина !Согласен, стрелка должна быть. Ну вот не нарисовали немецкие студенты.
Так как вид элемента схемы не изменялся (как карданный вал) - они должны быть в документации со всеми правилами отображения - так как читать эти схемы может человек как с малой так и большой квалификацией !
Отсюда - ошибки, непонимания и обсуждения !
- Рейтинг: 5%
-
- Эксперт Гидравлик
- Сообщения: 5584
- Зарегистрирован: 24 окт 2012, 20:41
- Страна, Регион, Область: СССР
- Город: Деревня Малая Малявня
- Откуда: деревня МАЛАЯ МАЛЯВНЯ
- Благодарил (а): 602 раза
- Поблагодарили: 816 раз
Re: Принимайте новеньких. Куаси 170/55
За пятьдесят лет не встречал предохранительного клапана без регулирования. За исключением вмонтированных внутри насосов для давления управления работой качающего узла переменной производительности. Так что чихать на эту стрелку. А в принципе ещё раз согласен.
-
- Эксперт Гидравлик
- Сообщения: 5584
- Зарегистрирован: 24 окт 2012, 20:41
- Страна, Регион, Область: СССР
- Город: Деревня Малая Малявня
- Откуда: деревня МАЛАЯ МАЛЯВНЯ
- Благодарил (а): 602 раза
- Поблагодарили: 816 раз
Re: Принимайте новеньких. Куаси 170/55
injection-molding-machines-need-in-repa ... 9-s60.html Здесь насос изнутри и его ремонт.
-
- Сообщения: 87
- Зарегистрирован: 22 мар 2023, 10:16
- Страна, Регион, Область: Россия
- Город: Москва
- Благодарил (а): 6 раз
- Поблагодарили: 1 раз
Re: Принимайте новеньких. Куаси 170/55
http://rutube.ru/video/1f904225483f2e4a ... e17780a5a/
Резюме обсуждения элемента:
VD01 - это регулируемый клапан не прямого действия - который в данной нашей схеме выполняет роль предохранительного ! верно ?
Резюме обсуждения элемента:
VD01 - это регулируемый клапан не прямого действия - который в данной нашей схеме выполняет роль предохранительного ! верно ?
Последний раз редактировалось sp34 25 мар 2023, 13:00, всего редактировалось 1 раз.
-
- Сообщения: 87
- Зарегистрирован: 22 мар 2023, 10:16
- Страна, Регион, Область: Россия
- Город: Москва
- Благодарил (а): 6 раз
- Поблагодарили: 1 раз
Re: Принимайте новеньких. Куаси 170/55
надеюсь не пригодиться !ЗЮМ писал(а): ↑25 мар 2023, 12:38injection-molding-machines-need-in-repa ... 9-s60.html Здесь насос изнутри и его ремонт.

-
- Эксперт Гидравлик
- Сообщения: 5584
- Зарегистрирован: 24 окт 2012, 20:41
- Страна, Регион, Область: СССР
- Город: Деревня Малая Малявня
- Откуда: деревня МАЛАЯ МАЛЯВНЯ
- Благодарил (а): 602 раза
- Поблагодарили: 816 раз
Re: Принимайте новеньких. Куаси 170/55
Ну если только сменишь род занатия. Не ужели не интересно как устроен агрегат способный отработать 20 лет.
-
- Эксперт Гидравлик
- Сообщения: 5584
- Зарегистрирован: 24 окт 2012, 20:41
- Страна, Регион, Область: СССР
- Город: Деревня Малая Малявня
- Откуда: деревня МАЛАЯ МАЛЯВНЯ
- Благодарил (а): 602 раза
- Поблагодарили: 816 раз
Re: Принимайте новеньких. Куаси 170/55
Верно. Добавлю во всех схемах мира. Эту серию видео по ссылке можно смотреть на ноутбуке с синхронным переводом на русский.sp34 писал(а): ↑25 мар 2023, 12:54http://rutube.ru/video/1f904225483f2e4a ... e17780a5a/
Резюме обсуждения элемента:
VD01 - это регулируемый клапан не прямого действия - который в данной нашей схеме выполняет роль предохранительного ! верно ?
-
- Сообщения: 87
- Зарегистрирован: 22 мар 2023, 10:16
- Страна, Регион, Область: Россия
- Город: Москва
- Благодарил (а): 6 раз
- Поблагодарили: 1 раз
Re: Принимайте новеньких. Куаси 170/55
моему 35 лет - и я надеюсь !
Что бы быть не во власти механизма - а иметь власть над ним - нужно все досконально изучать !
Отсюда ответ - КОНЕЧНО ИНТЕРЕСНО и я ознакомлюсь с данной темой и агрегатом !
-
- Эксперт Гидравлик
- Сообщения: 5584
- Зарегистрирован: 24 окт 2012, 20:41
- Страна, Регион, Область: СССР
- Город: Деревня Малая Малявня
- Откуда: деревня МАЛАЯ МАЛЯВНЯ
- Благодарил (а): 602 раза
- Поблагодарили: 816 раз
Re: Принимайте новеньких. Куаси 170/55
Чую Интеллект. Тогда я спокоен за страну. И цель.https://youtu.be/G7kyHfRsYng
Последний раз редактировалось ЗЮМ 25 мар 2023, 13:28, всего редактировалось 1 раз.
-
- Сообщения: 87
- Зарегистрирован: 22 мар 2023, 10:16
- Страна, Регион, Область: Россия
- Город: Москва
- Благодарил (а): 6 раз
- Поблагодарили: 1 раз
Re: Принимайте новеньких. Куаси 170/55
Ну вот ! а то вопросы я глупые задаю - ну просто я не в теме вот и всего то !
Если вернуться к вопросу о частотном преобразователе в данном узле - то если убрать один минус цена - далее о его плюсах можно только раскатывать !
Если вернуться к вопросу о частотном преобразователе в данном узле - то если убрать один минус цена - далее о его плюсах можно только раскатывать !
-
- Сообщения: 87
- Зарегистрирован: 22 мар 2023, 10:16
- Страна, Регион, Область: Россия
- Город: Москва
- Благодарил (а): 6 раз
- Поблагодарили: 1 раз
-
- Эксперт Гидравлик
- Сообщения: 5584
- Зарегистрирован: 24 окт 2012, 20:41
- Страна, Регион, Область: СССР
- Город: Деревня Малая Малявня
- Откуда: деревня МАЛАЯ МАЛЯВНЯ
- Благодарил (а): 602 раза
- Поблагодарили: 816 раз
Re: Принимайте новеньких. Куаси 170/55
Да внутренние линии управления должны быть пунктиром. Г образная стрелка в основном на зарубежных схемах. Наши прямые. Сути не меняет. Стрелка на пружине, с этой ясно. Г образная показывает направление выхода жидкости и подчёркивает движение запорного элемента по оси посадочного места. Иностранцы рисуют под углом линию управления. Мы рисуем под прямыми углами. Не ожидал обсуждения этих ньюансов. Поэтому мельком проскочил этот пост. Вот что значит у вас не замыленный взгляд. Это правильно, надо знать назначение каждого отверстия.
-
- Эксперт Гидравлик
- Сообщения: 5584
- Зарегистрирован: 24 окт 2012, 20:41
- Страна, Регион, Область: СССР
- Город: Деревня Малая Малявня
- Откуда: деревня МАЛАЯ МАЛЯВНЯ
- Благодарил (а): 602 раза
- Поблагодарили: 816 раз
Re: Принимайте новеньких. Куаси 170/55
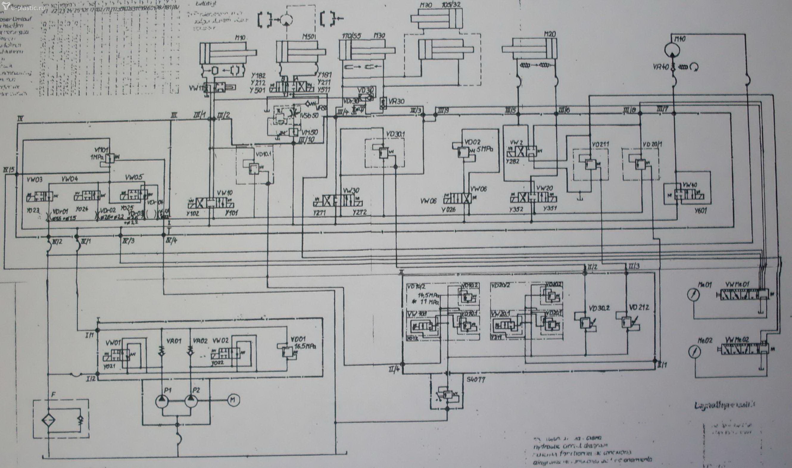
Модель машины установлена: Куаси 170/55 - le. ( римская цифра один) Реальная схема её . Если перетрясти темы 170-к на форуме, можно увидеть проблемы с которыми сталкивался народ в процессе. Так как в заголовках не все маркировки машин указаны, придётся потратить время.
- Вложения
-
- гидросхема 1.jpg (179.46 КБ) 2524 просмотра
-
- Эксперт Гидравлик
- Сообщения: 5584
- Зарегистрирован: 24 окт 2012, 20:41
- Страна, Регион, Область: СССР
- Город: Деревня Малая Малявня
- Откуда: деревня МАЛАЯ МАЛЯВНЯ
- Благодарил (а): 602 раза
- Поблагодарили: 816 раз
Re: Принимайте новеньких. Куаси 170/55
Схема такая же в другом изображении. Последовательность включения эл/магнитов 24в.
-
- Сообщения: 87
- Зарегистрирован: 22 мар 2023, 10:16
- Страна, Регион, Область: Россия
- Город: Москва
- Благодарил (а): 6 раз
- Поблагодарили: 1 раз
Re: Принимайте новеньких. Куаси 170/55
Kuasy 170/55 - I e-40 - вот так на моей - и сразу вопросик 40 это что может означать ?
Отлично - теперь разберемся в чем отличия на циклограмме саленоидов Q от L
Google перевод.
L - Включать.
Q - Скорость потока после выбранного переключателя выбора.
c L - все ясно , а вот по Q - хотелось послушать вас !
-
- Эксперт Гидравлик
- Сообщения: 5584
- Зарегистрирован: 24 окт 2012, 20:41
- Страна, Регион, Область: СССР
- Город: Деревня Малая Малявня
- Откуда: деревня МАЛАЯ МАЛЯВНЯ
- Благодарил (а): 602 раза
- Поблагодарили: 816 раз
Re: Принимайте новеньких. Куаси 170/55
Это серьезно ? Или прикол? Это расход, производительность литров, кубометров, кубиков в минуту. Расход жидкости в единицу времени. Скорость движения штока цилиндра или скорость вращения вала гидромотора. На панели управления на задатчиках переключателях обозначается V.
Последний раз редактировалось ЗЮМ 26 мар 2023, 11:37, всего редактировалось 1 раз.
-
- Сообщения: 87
- Зарегистрирован: 22 мар 2023, 10:16
- Страна, Регион, Область: Россия
- Город: Москва
- Благодарил (а): 6 раз
- Поблагодарили: 1 раз
Re: Принимайте новеньких. Куаси 170/55
Я не в общем о Q на схемах - я об таблице Y021 и т д
Координально в чем отличие подачи питания на саленоид Y021 от Y101
Координально в чем отличие подачи питания на саленоид Y021 от Y101
-
- Эксперт Гидравлик
- Сообщения: 5584
- Зарегистрирован: 24 окт 2012, 20:41
- Страна, Регион, Область: СССР
- Город: Деревня Малая Малявня
- Откуда: деревня МАЛАЯ МАЛЯВНЯ
- Благодарил (а): 602 раза
- Поблагодарили: 816 раз
Re: Принимайте новеньких. Куаси 170/55
21 активирует насос одну секцию. 101 посылает поток масла к цилиндру закрытия подвижной плиты. В клетках включение солиноидов на то или иное действие.
Последний раз редактировалось ЗЮМ 26 мар 2023, 12:22, всего редактировалось 1 раз.
-
- Сообщения: 87
- Зарегистрирован: 22 мар 2023, 10:16
- Страна, Регион, Область: Россия
- Город: Москва
- Благодарил (а): 6 раз
- Поблагодарили: 1 раз
Re: Принимайте новеньких. Куаси 170/55
Это понятно - и я спрашиваю не об этом !
Отличие в том что при подаче питания на соленоид - в одном случае регулируемый процесс по производительности в другом нет - разве не так ?
Отличие в том что при подаче питания на соленоид - в одном случае регулируемый процесс по производительности в другом нет - разве не так ?
-
- Эксперт Гидравлик
- Сообщения: 5584
- Зарегистрирован: 24 окт 2012, 20:41
- Страна, Регион, Область: СССР
- Город: Деревня Малая Малявня
- Откуда: деревня МАЛАЯ МАЛЯВНЯ
- Благодарил (а): 602 раза
- Поблагодарили: 816 раз
Re: Принимайте новеньких. Куаси 170/55
Регулируемый процесс он и есть регулируемый. Здесь нет не регулируемых процессов. И выбирается режим на панели. Ито отдельный разговор об управлении скоростями на этой особенной машине. Сейчас пришлю скан работы блока скоростей Q<V
-
- Эксперт Гидравлик
- Сообщения: 5584
- Зарегистрирован: 24 окт 2012, 20:41
- Страна, Регион, Область: СССР
- Город: Деревня Малая Малявня
- Откуда: деревня МАЛАЯ МАЛЯВНЯ
- Благодарил (а): 602 раза
- Поблагодарили: 816 раз
Re: Принимайте новеньких. Куаси 170/55
Не регулируемый процесс только в первой строчке циклограммы. Когда все магниты выключены. И то масло может перегреться без охлаждения. Не вижу конкретики в вопросе. ВОТ лист с производительностью скоростей. Всего 17 скоростей. В зависимости от комбинации включенных электромагнитов.
Последний раз редактировалось ЗЮМ 26 мар 2023, 12:38, всего редактировалось 1 раз.
-
- Сообщения: 87
- Зарегистрирован: 22 мар 2023, 10:16
- Страна, Регион, Область: Россия
- Город: Москва
- Благодарил (а): 6 раз
- Поблагодарили: 1 раз
Re: Принимайте новеньких. Куаси 170/55
Я к этому и веду.
И отсюда конкретный вопрос - почему в таблице управление саленоидом обозначается в некоторых случаях L или Q и встречал Р ?
-
- Эксперт Гидравлик
- Сообщения: 5584
- Зарегистрирован: 24 окт 2012, 20:41
- Страна, Регион, Область: СССР
- Город: Деревня Малая Малявня
- Откуда: деревня МАЛАЯ МАЛЯВНЯ
- Благодарил (а): 602 раза
- Поблагодарили: 816 раз
Re: Принимайте новеньких. Куаси 170/55
Q обеспечивает скорость потока л/ мин. L просто включается и открывает канал в распределителе. Р это понятно давление кг/см кв.
-
- Эксперт Гидравлик
- Сообщения: 5584
- Зарегистрирован: 24 окт 2012, 20:41
- Страна, Регион, Область: СССР
- Город: Деревня Малая Малявня
- Откуда: деревня МАЛАЯ МАЛЯВНЯ
- Благодарил (а): 602 раза
- Поблагодарили: 816 раз
Re: Принимайте новеньких. Куаси 170/55
Уважаемые зрители посмотрите на циклограмму и блок гидравлики по скоростям обеспечивающий желаемые движения и как тут можно прилепить ЧАСТОТНИК. И смысл его установки на коротких циклах. Просветите мой средний ум. этот листок говорит о том что 95 литров насоса разбиты на 17 шагов комбинаций. По 5,5 литров шаг. Но это другая история. Думаю пока не до нее. еще три листика размещу с тех характеристиками станка. Подчеркну это не обычный вариант ТПА.
Последний раз редактировалось ЗЮМ 26 мар 2023, 13:00, всего редактировалось 1 раз.
Кто сейчас на конференции
Сейчас этот форум просматривают: нет зарегистрированных пользователей и 17 гостей