Очень круто. мы туту в ХАЦАПЕТОВКЕ в восторге. Ай да Бегмот!!!
Циклограмма 21 века
-
ЗЮМ
- Эксперт Гидравлик
- Сообщения: 5729
- Зарегистрирован: 24 окт 2012, 20:41
- Страна, Регион, Область: СССР
- Город: Деревня Малая Малявня
- Откуда: деревня МАЛАЯ МАЛЯВНЯ
- Благодарил (а): 612 раз
- Поблагодарили: 836 раз
Re: Циклограмма 21 века
Привод насоса охлаждения электродвигателей насосов Р1 и Р2+Р3 и Р4. Первый образец циклограммы будет готов к воскресенью.
-
ЗЮМ
- Эксперт Гидравлик
- Сообщения: 5729
- Зарегистрирован: 24 окт 2012, 20:41
- Страна, Регион, Область: СССР
- Город: Деревня Малая Малявня
- Откуда: деревня МАЛАЯ МАЛЯВНЯ
- Благодарил (а): 612 раз
- Поблагодарили: 836 раз
Re: Циклограмма 21 века
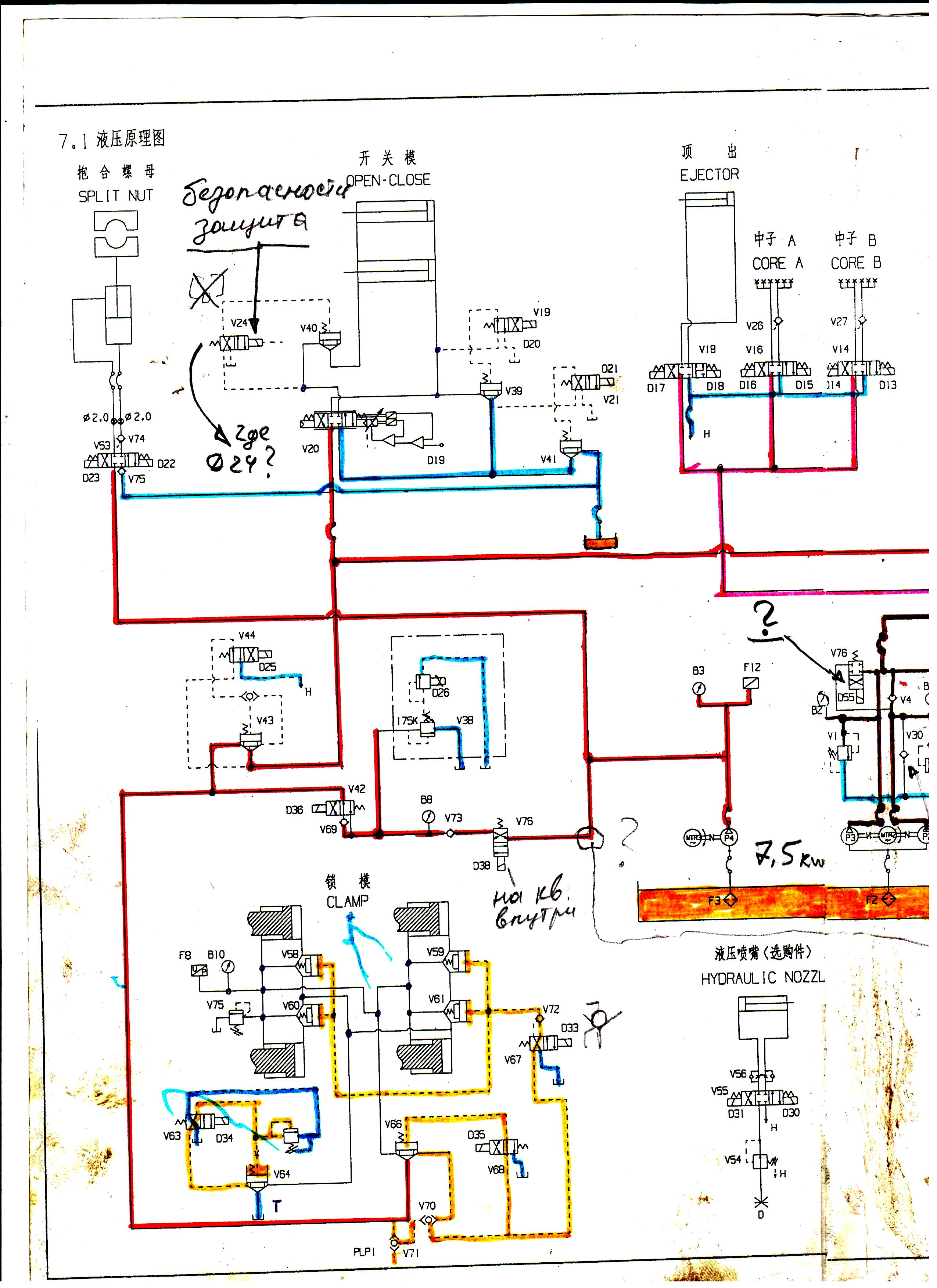
Черновик № 2 циклограммы ТПА Юпитер 12000 кн усилия запирания закончил. Повторно размещаю сканы схемы и циклограммы . Не буду говорить сколько времени потребовалось на поиски вчерашнего дня (достаточно). Вопросы остались. Вот последние дни на форуме есть вопросы о том как выбирать оборудование. Хочу еще раз заострить внимание на состоянии , объеме и качестве технической документации. ТАК КАК:1. Менеджер по продажам смотрит на это сквозь пальцы. 2. Покупатель учредитель совсем не смотрит. В приоритете соотношение цена - качество. 3. Переработчик , технолог, начальник производства смотрит на возможности машины. 4. Ну а механик ( кто это вообще такой? ) Что купим то и будет делать!!!! Спецы ремонта и обслуживания на то и спецы что бы разбираться. А как и сколько по времени это их проблемы. Мне сказали ты из-за мелочи шум поднимаешь. Да поднимаю. И буду поднимать. Главный инженер и ремонтные службы со мной согласятся. Далее по этой теме: Ни кто мне не поможет (Китай 100%): 1.Так как надо быть рядом с машиной. 2. Машин этих в России по пальцам одной руки можно посчитать. 3.Тему: "ЦИКЛОГРАМА 21 ВЕКА" думаю закрыть и открыть тему на форуме: "Документация термопластоавтоматов" с темой например : " Поставщик оборудования с плохой документацией"
Кто сейчас на конференции
Сейчас этот форум просматривают: нет зарегистрированных пользователей и 3 гостя
