Вопросы по гидросхеме Battenfeld BA250.
- d_y
- Сообщения: 301
- Зарегистрирован: 04 окт 2008, 13:10
- Страна, Регион, Область: Украина
- Город: Киев
- Откуда: Киев, Украина
- Благодарил (а): 1 раз
- Поблагодарили: 13 раз
Вопросы по гидросхеме Battenfeld BA250.
Разбираюсь сейчас с работой гидросхемы тпа Battenfeld BA250.
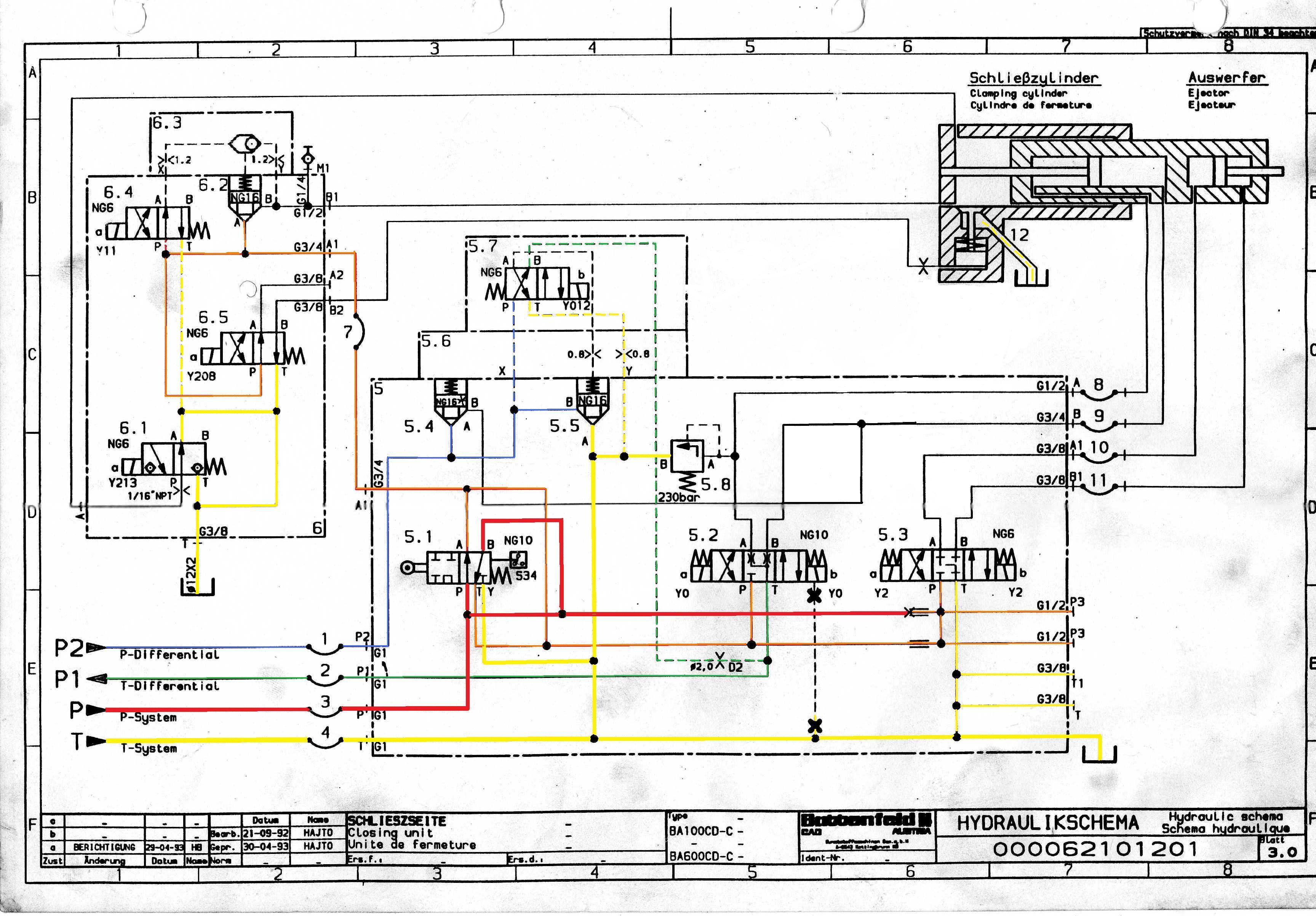
Сама гидросхема разбита на 3 листа. 1 лист - насосная установка, 2 лист - узел запирания, 3 лист - узел впрыска.
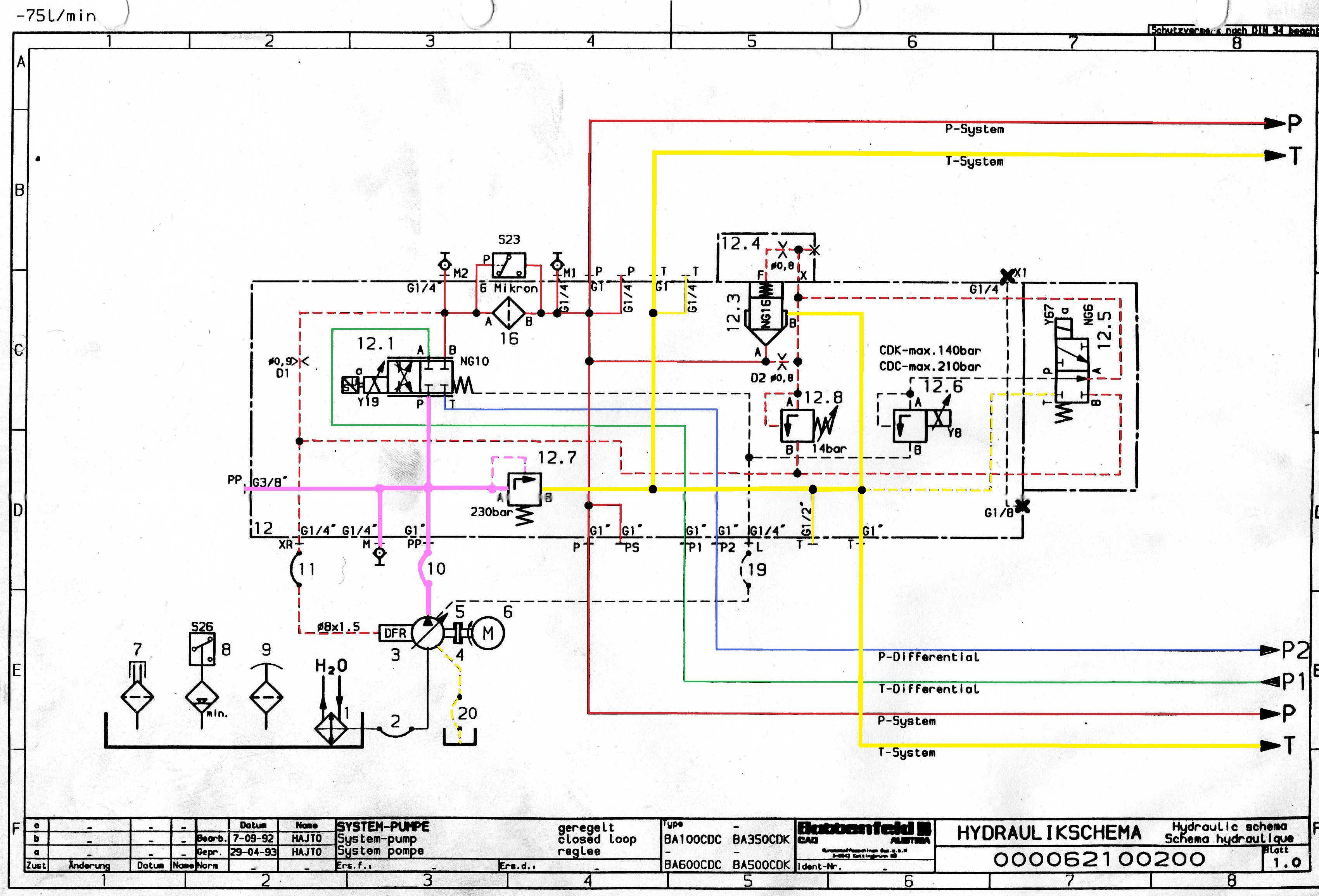
Вопросы по насосной установке:
Для какой цели используется магнит Y67 (в описании указано что он опциональный), она называется - During pressure control via the variable delivery pump (option for special functions) ?
Для чего сделано отдельные 2 магистрали P-Differential и T-Differential кроме основных P-system и T-system?
Вопросы по узлу запирания:
Магнит Y012 (его название For closing until high pressure is built up) с какой целью используется при запирании ? Для создания разницы давлений в цилиндр запирания ?
Для набора давления используются магниты Y11 (For building up high pressure) и Y213 (For the build up of high pressure until cooling time disconnect). При помощи Y11 происходит набор давления, Y213 препятствует сбросу давления (когда он включен). Y11 необходимо удерживать так же вместе с Y213 до начала раскрытия или же после набора давления его можно отключить ?
Сама гидросхема разбита на 3 листа. 1 лист - насосная установка, 2 лист - узел запирания, 3 лист - узел впрыска.
Вопросы по насосной установке:
Для какой цели используется магнит Y67 (в описании указано что он опциональный), она называется - During pressure control via the variable delivery pump (option for special functions) ?
Для чего сделано отдельные 2 магистрали P-Differential и T-Differential кроме основных P-system и T-system?
Вопросы по узлу запирания:
Магнит Y012 (его название For closing until high pressure is built up) с какой целью используется при запирании ? Для создания разницы давлений в цилиндр запирания ?
Для набора давления используются магниты Y11 (For building up high pressure) и Y213 (For the build up of high pressure until cooling time disconnect). При помощи Y11 происходит набор давления, Y213 препятствует сбросу давления (когда он включен). Y11 необходимо удерживать так же вместе с Y213 до начала раскрытия или же после набора давления его можно отключить ?
-
Мулланур
- Сообщения: 1586
- Зарегистрирован: 01 окт 2013, 15:06
- Страна, Регион, Область: Россия
- Город: Екатеринбург
- Откуда: Yevlax
- Благодарил (а): 418 раз
- Поблагодарили: 386 раз
Re: Вопросы по гидросхеме Battenfeld BA250.
- При высоком давлении снижает производительность насоса.d_y писал(а): Для какой цели используется магнит Y67 (в описании указано что он опциональный), она называется - During pressure control via the variable delivery pump (option for special functions) ?
В этой теме похожее viewtopic.php?t=15626
S47 гидрораспределитель с электрическим управлением включается во время впрыска и стабилизирует скорость и давление впрыска т.е. в путепроводе "В" сбрасывается давление тем и открываются два верхних обратных клапана, когда заканчивается впрыск или замерзло сопло или остался литник в форме чтобы насос не работал с повышенной производительностью через ветку "А" масло заставляет насос снизить производительность.
Блокировка скоростного цилиндра во время дожима/отрыва формы "Главным цилиндром".d_y писал(а): Для чего сделано отдельные 2 магистрали P-Differential и T-Differential кроме основных P-system и T-system?
Вопросы по узлу запирания:
Магнит Y012 (его название For closing until high pressure is built up) с какой целью используется при запирании ? Для создания разницы давлений в цилиндр запирания ?
208 -сброс давления.
213- включен при наборе давления смыкания.
- d_y
- Сообщения: 301
- Зарегистрирован: 04 окт 2008, 13:10
- Страна, Регион, Область: Украина
- Город: Киев
- Откуда: Киев, Украина
- Благодарил (а): 1 раз
- Поблагодарили: 13 раз
Re: Вопросы по гидросхеме Battenfeld BA250.
Данный магнит при простое станка при работающем насосе и во время охлаждения получается так же должен быть включенным для разгрузки насоса ?Мулланур писал(а):- При высоком давлении снижает производительность насоса.d_y писал(а): Для какой цели используется магнит Y67 (в описании указано что он опциональный), она называется - During pressure control via the variable delivery pump (option for special functions) ?
В этой теме похожее viewtopic.php?t=15626S47 гидрораспределитель с электрическим управлением включается во время впрыска и стабилизирует скорость и давление впрыска т.е. в путепроводе "В" сбрасывается давление тем и открываются два верхних обратных клапана, когда заканчивается впрыск или замерзло сопло или остался литник в форме чтобы насос не работал с повышенной производительностью через ветку "А" масло заставляет насос снизить производительность.
d_y писал(а): Для чего сделано отдельные 2 магистрали P-Differential и T-Differential кроме основных P-system и T-system?
Вопросы по узлу запирания:
Магнит Y012 (его название For closing until high pressure is built up) с какой целью используется при запирании ? Для создания разницы давлений в цилиндр запирания ?
При силовом наборе так же участвует и Y11, который управляет клапаном 6.2. Когда давление набралось Y11 можно отключить, т.к. 6.2. "за счет" шарика станет на самоблокировку и 6.2 закроется, при этом Y213 должен быть включен до самого конца времени охлаждения и отключается только перед раскрытием.Блокировка скоростного цилиндра во время дожима/отрыва формы "Главным цилиндром".
208 -сброс давления.
213- включен при наборе давления смыкания.
Y12 выравнивает давления в полостях скоростного цилиндра и он перестает за счет этого двигаться? Он работает совместно с Y0.A и Y0.B и на силовом запирании или Y0.A отключается на дожиме?
-
Мулланур
- Сообщения: 1586
- Зарегистрирован: 01 окт 2013, 15:06
- Страна, Регион, Область: Россия
- Город: Екатеринбург
- Откуда: Yevlax
- Благодарил (а): 418 раз
- Поблагодарили: 386 раз
Re: Вопросы по гидросхеме Battenfeld BA250.
Да, шарик-6.3 клапан "или", так и работает. Y11 после набора давления нужно выключить, а Y213 должен быть включен.d_y писал(а): При силовом наборе так же участвует и Y11, который управляет клапаном 6.2. Когда давление набралось Y11 можно отключить, т.к. 6.2. "за счет" шарика станет на самоблокировку и 6.2 закроется, при этом Y213 должен быть включен до самого конца времени охлаждения и отключается только перед раскрытием.
-
Мулланур
- Сообщения: 1586
- Зарегистрирован: 01 окт 2013, 15:06
- Страна, Регион, Область: Россия
- Город: Екатеринбург
- Откуда: Yevlax
- Благодарил (а): 418 раз
- Поблагодарили: 386 раз
Re: Вопросы по гидросхеме Battenfeld BA250.
Y19-пропорциональный клапан производительности. магнит Y67 при простое станка при работающем насосе и во время охлаждения Выключен, так как 12.8- предохранительный клапан, а 12.6 (Y8)- пропорциональный клапан давления.
- d_y
- Сообщения: 301
- Зарегистрирован: 04 окт 2008, 13:10
- Страна, Регион, Область: Украина
- Город: Киев
- Откуда: Киев, Украина
- Благодарил (а): 1 раз
- Поблагодарили: 13 раз
Re: Вопросы по гидросхеме Battenfeld BA250.
Т.е. Y67 работает только при впрыске ? Или еще при каких то еще операциях он должен включаться ?Мулланур писал(а):Y19-пропорциональный клапан производительности. магнит Y67 при простое станка при работающем насосе и во время охлаждения Выключен, так как 12.8- предохранительный клапан, а 12.6 (Y8)- пропорциональный клапан давления.
- d_y
- Сообщения: 301
- Зарегистрирован: 04 окт 2008, 13:10
- Страна, Регион, Область: Украина
- Город: Киев
- Откуда: Киев, Украина
- Благодарил (а): 1 раз
- Поблагодарили: 13 раз
Re: Вопросы по гидросхеме Battenfeld BA250.
На впрыске стоит магнит Y9. Это так называемый P/Q клапан.
Как себя ведут при впрыске, формовке, загрузке и отводе шнека пропорциональные клапана расхода и давления Y19, Y2 ?
Предполагаю что при впрыске магнит давления Y2 открыт на 100% (и не регулируется), магнит расхода Y19 открыт на 100% (и не регулируется), а при помощи клапана Y9 регулируется скорость впрыска в диапазоне 0-99%.
При формовании магнит давления Y2 открыт на 50% (и не регулируется), магнит расхода Y19 тоже на 50% (и не регулируется), а при помощи Y9 регулируется давление формования в диапазоне 0-99%.
При загрузке магнит давления Y2 открыт на 20% (и не регулируется), магнит расхода Y19 открыт тоже на 20% (и не регулируется), при помощи Y9 регулируется давление подпора в диапазоне 0-99%.
При отводе шнека он работает в обратную сторону, при этом магнит давления Y2 открыт на 30% (и не регулируется), магнит расхода Y19 открыт тоже на 30% (и не регулируется), при помощи Y9 регулируется скорость отвода шнека в диапазоне 0-99%.
Как себя ведут при впрыске, формовке, загрузке и отводе шнека пропорциональные клапана расхода и давления Y19, Y2 ?
Предполагаю что при впрыске магнит давления Y2 открыт на 100% (и не регулируется), магнит расхода Y19 открыт на 100% (и не регулируется), а при помощи клапана Y9 регулируется скорость впрыска в диапазоне 0-99%.
При формовании магнит давления Y2 открыт на 50% (и не регулируется), магнит расхода Y19 тоже на 50% (и не регулируется), а при помощи Y9 регулируется давление формования в диапазоне 0-99%.
При загрузке магнит давления Y2 открыт на 20% (и не регулируется), магнит расхода Y19 открыт тоже на 20% (и не регулируется), при помощи Y9 регулируется давление подпора в диапазоне 0-99%.
При отводе шнека он работает в обратную сторону, при этом магнит давления Y2 открыт на 30% (и не регулируется), магнит расхода Y19 открыт тоже на 30% (и не регулируется), при помощи Y9 регулируется скорость отвода шнека в диапазоне 0-99%.
-
Мулланур
- Сообщения: 1586
- Зарегистрирован: 01 окт 2013, 15:06
- Страна, Регион, Область: Россия
- Город: Екатеринбург
- Откуда: Yevlax
- Благодарил (а): 418 раз
- Поблагодарили: 386 раз
Re: Вопросы по гидросхеме Battenfeld BA250.
Y2 (5.3)- это выталкиватель.
Может вы имели ввиду Y8(12.6)?
Y9(блок№10) На верно регулирует подпор тоже.
Y9(блок№10) На верно регулирует подпор тоже.
- d_y
- Сообщения: 301
- Зарегистрирован: 04 окт 2008, 13:10
- Страна, Регион, Область: Украина
- Город: Киев
- Откуда: Киев, Украина
- Благодарил (а): 1 раз
- Поблагодарили: 13 раз
Re: Вопросы по гидросхеме Battenfeld BA250.
Перепутал. Извините. Речь шла о пропорциональных клапанах расхода Y19 и давления Y8.Мулланур писал(а):Y2 (5.3)- это выталкиватель.Может вы имели ввиду Y8(12.6)?
Y9(блок№10) На верно регулирует подпор тоже.
Как они себя ведут при впрыске, формовке, загрузке (подпор), отводе шнека ?
По сути клапан Y9 (блок 10) регулирует одновременно и расход и давление при всех этих операциях в зависимости от установок и за счет обратных связей.
-
Мулланур
- Сообщения: 1586
- Зарегистрирован: 01 окт 2013, 15:06
- Страна, Регион, Область: Россия
- Город: Екатеринбург
- Откуда: Yevlax
- Благодарил (а): 418 раз
- Поблагодарили: 386 раз
Re: Вопросы по гидросхеме Battenfeld BA250.
При выключенном Y67, пропорциональный клапан Y8 управляет клапаном 12.3- основное давление системы, а при включении Y67 глушит производительность на насосе.
Y19 производительность перемещений, Y8- давление системы. Соответственно управляют смыканием, размыканием, сталкиванием, впрыском, прижимом и отводом сопла, загрузкой и декомпрессией.
На скане плохо видно М6, которое подходит к блоку №10? противодавление и впрыск(?) управляется блоком №9 (М1) через Y9.
Y19 производительность перемещений, Y8- давление системы. Соответственно управляют смыканием, размыканием, сталкиванием, впрыском, прижимом и отводом сопла, загрузкой и декомпрессией.
На скане плохо видно М6, которое подходит к блоку №10? противодавление и впрыск(?) управляется блоком №9 (М1) через Y9.
- d_y
- Сообщения: 301
- Зарегистрирован: 04 окт 2008, 13:10
- Страна, Регион, Область: Украина
- Город: Киев
- Откуда: Киев, Украина
- Благодарил (а): 1 раз
- Поблагодарили: 13 раз
Re: Вопросы по гидросхеме Battenfeld BA250.
Получается Y67 включается только во время впрыска ? Или возможно еще при силовом запирании что бы не перегружать насос ?Мулланур писал(а):При выключенном Y67, пропорциональный клапан Y8 управляет клапаном 12.3- основное давление системы, а при включении Y67 глушит производительность на насосе.
Y19 производительность перемещений, Y8- давление системы. Соответственно управляют смыканием, размыканием, сталкиванием, впрыском, прижимом и отводом сопла, загрузкой и декомпрессией.
На скане плохо видно М6, которое подходит к блоку №10? противодавление и впрыск(?) управляется блоком №9 (М1) через Y9.
Y9 регулирует так же и давление подпора во время загрузки. М6 подходит к блоку №10, в момент загрузки через Y4 на М6 идет подача масла.
Блок №9 это датчик давления, это электронная обратная связь, запараллелен с манометром 8 (М2).
Вопрос по Y19 и Y8 у меня был в том как себя ведут данные магнит в момент впрыска, формовки, загрузки. Ведь по сути давление/расход в цилиндре впрыска задает клапан Y9, а Y19 и Y8 должны быть включены на 100% (или они тоже управляются электроникой)? В блок который управляет клапаном Y9 заведены обратные связи с датчика давления (блок №10) и линейки шнека. Магнитами Y19 и Y8 управляют свои отдельные платы.
-
Мулланур
- Сообщения: 1586
- Зарегистрирован: 01 окт 2013, 15:06
- Страна, Регион, Область: Россия
- Город: Екатеринбург
- Откуда: Yevlax
- Благодарил (а): 418 раз
- Поблагодарили: 386 раз
Re: Вопросы по гидросхеме Battenfeld BA250.
Прошу прощенья
, ввел вас заблуждение
Для Y19 и Y8 вы задаете значение, а клапан Y9 на впрыске может открыт 100%, при загрузке следит за противодавлением.
Магнит Y67 при простое станка при работающем насосе и во время охлаждения все же ВКЛЮЧЕН, а во время перемещений ВЫКЛЛЮЧЕН и управляет клапаном 12.3- основное давление системы.Мулланур писал(а):... магнит Y67 при простое станка при работающем насосе и во время охлаждения Выключен...
Для Y19 и Y8 вы задаете значение, а клапан Y9 на впрыске может открыт 100%, при загрузке следит за противодавлением.
- d_y
- Сообщения: 301
- Зарегистрирован: 04 окт 2008, 13:10
- Страна, Регион, Область: Украина
- Город: Киев
- Откуда: Киев, Украина
- Благодарил (а): 1 раз
- Поблагодарили: 13 раз
Re: Вопросы по гидросхеме Battenfeld BA250.
Я изначально так и думал что он разгружает насос во время холостых оборотов и во время охлаждения.Мулланур писал(а):Прошу прощенья, ввел вас заблуждение
Магнит Y67 при простое станка при работающем насосе и во время охлаждения все же ВКЛЮЧЕН, а во время перемещений ВЫКЛЛЮЧЕН и управляет клапаном 12.3- основное давление системы.Мулланур писал(а):... магнит Y67 при простое станка при работающем насосе и во время охлаждения Выключен...
Для Y19 и Y8 вы задаете значение, а клапан Y9 на впрыске может открыт 100%, при загрузке следит за противодавлением.
Магнит Y012 (дифференциальный клапан скоростного цилиндра), должен работать в момент дожима, что бы выровнять давление и заблокировать движение в малом цилиндре что бы он не двигался в момент дожима и не отъезжал назад ? Либо Y12 работает совместно с Y0A с начала движения цилиндра с исходного положения?
- d_y
- Сообщения: 301
- Зарегистрирован: 04 окт 2008, 13:10
- Страна, Регион, Область: Украина
- Город: Киев
- Откуда: Киев, Украина
- Благодарил (а): 1 раз
- Поблагодарили: 13 раз
Re: Вопросы по гидросхеме Battenfeld BA250.
Y12 работает в моем понимании так:Мулланур писал(а):Пока сделал "раскраску" вашей схемы.
При движении вперед малого цилиндра включается Y0A, масло через P-system наполняет цилиндр и он движется вперед, с другой полости цилиндра масло сливается через T-differential и проходит через пропорциональный клапан расхода Y19 в магистраль P-differentilal. Затем оно проходит через открытый 5.5 и сливается в бак.
Если включить Y12, то 5.5 закрывается и движение малого цилиндра блокируется.
По сути Y12 выполняет функцию заслонки как в одесском ТПА Д3132.
А какую функцию выполняет клапан 5.4 в блоке 5 узла запирания ?
-
Мулланур
- Сообщения: 1586
- Зарегистрирован: 01 окт 2013, 15:06
- Страна, Регион, Область: Россия
- Город: Екатеринбург
- Откуда: Yevlax
- Благодарил (а): 418 раз
- Поблагодарили: 386 раз
Re: Вопросы по гидросхеме Battenfeld BA250.
Y12 включается сначала дожима, а выключается вместе со сбросом давления перед размыканием. Причем в это время распределитель Y0 в нейтральном положении.
5.4 выравнивает разницу между площадями штоковой и без штоковой полостей скоростного гидроцилиндра.
5.4 выравнивает разницу между площадями штоковой и без штоковой полостей скоростного гидроцилиндра.
- d_y
- Сообщения: 301
- Зарегистрирован: 04 окт 2008, 13:10
- Страна, Регион, Область: Украина
- Город: Киев
- Откуда: Киев, Украина
- Благодарил (а): 1 раз
- Поблагодарили: 13 раз
Re: Вопросы по гидросхеме Battenfeld BA250.
С какой целью так сложно сделано запирание у данного станка ?
До силового там все стандартно:
медленно - ускоренно - медленно - защита формы
На силовом же сначала идет пауза перед силовым запиранием, а потом уже непосредственно силовое которое идет по времени (датчика давления нет, силовое идет по времени).
При этом во время паузы давление 014 и расход 013 ниже чем при силовом наборе.
Возможно это связанно с тем что с началом паузы выключаются Y0A и включается Y12 что бы во время этой паузы уравновесить давление внутри цилиндра ускоренного хода и не дать ему больше двигаться. Так же с началом паузы включается Y11 открывая 6.2 и масло начинает набираться в силовой цилиндр (часть при этом сливается через Y213, но позволяет наполнить полностью цилиндр, слив который идет на Y213 расположен сверху если верить гидросхеме). А после окончания паузы включается Y213 (при включенных Y11 и Y12) и за очень кратковременное время происходит набор давления за счет того что бак полный масла.
До силового там все стандартно:
медленно - ускоренно - медленно - защита формы
На силовом же сначала идет пауза перед силовым запиранием, а потом уже непосредственно силовое которое идет по времени (датчика давления нет, силовое идет по времени).
При этом во время паузы давление 014 и расход 013 ниже чем при силовом наборе.
Возможно это связанно с тем что с началом паузы выключаются Y0A и включается Y12 что бы во время этой паузы уравновесить давление внутри цилиндра ускоренного хода и не дать ему больше двигаться. Так же с началом паузы включается Y11 открывая 6.2 и масло начинает набираться в силовой цилиндр (часть при этом сливается через Y213, но позволяет наполнить полностью цилиндр, слив который идет на Y213 расположен сверху если верить гидросхеме). А после окончания паузы включается Y213 (при включенных Y11 и Y12) и за очень кратковременное время происходит набор давления за счет того что бак полный масла.
Кто сейчас на конференции
Сейчас этот форум просматривают: Bing [Bot], Semrush [Bot] и 2 гостя