Падает высокое давление при смыкании формы. Машина BEKUM
-
iks81
- Сообщения: 17
- Зарегистрирован: 28 ноя 2023, 14:44
- Страна, Регион, Область: Россия
- Город: Самара
- Благодарил (а): 8 раз
- Поблагодарили: 2 раза
Re: Падает высокое давление при смыкании формы. Машина BEKUM
Клапан заменен на 574Е тот, что рядом с клапаном 1.020.
Пилотный клапан 1.200 остался прежней модели, как на схеме
Пилотный клапан 1.200 остался прежней модели, как на схеме
-
iks81
- Сообщения: 17
- Зарегистрирован: 28 ноя 2023, 14:44
- Страна, Регион, Область: Россия
- Город: Самара
- Благодарил (а): 8 раз
- Поблагодарили: 2 раза
Re: Падает высокое давление при смыкании формы. Машина BEKUM
[/quote] Честно говоря, как баран на новые ворота. Связи со схемой по последовательности включения распредов не вижу.
[/quote]
мне также эта схема не помогла, а еще больше вопросов появилось, пока отложил в сторону. Логика, которую вы описали выше - мне понятна, также отрисовал разными цветами на схеме напорные линии и линии слива. на неделе смогу быть у машины и попробую проверить те клапаны, которые вы указал. отпишусь что в итоге вышло.
[/quote]
мне также эта схема не помогла, а еще больше вопросов появилось, пока отложил в сторону. Логика, которую вы описали выше - мне понятна, также отрисовал разными цветами на схеме напорные линии и линии слива. на неделе смогу быть у машины и попробую проверить те клапаны, которые вы указал. отпишусь что в итоге вышло.
-
ЗЮМ
- Эксперт Гидравлик
- Сообщения: 5718
- Зарегистрирован: 24 окт 2012, 20:41
- Страна, Регион, Область: СССР
- Город: Деревня Малая Малявня
- Откуда: деревня МАЛАЯ МАЛЯВНЯ
- Благодарил (а): 610 раз
- Поблагодарили: 834 раза
Re: Падает высокое давление при смыкании формы. Машина BEKUM
Становится все интересней и интересней. Теперь магнит получается с другой стороны.
-
ЗЮМ
- Эксперт Гидравлик
- Сообщения: 5718
- Зарегистрирован: 24 окт 2012, 20:41
- Страна, Регион, Область: СССР
- Город: Деревня Малая Малявня
- Откуда: деревня МАЛАЯ МАЛЯВНЯ
- Благодарил (а): 610 раз
- Поблагодарили: 834 раза
Re: Падает высокое давление при смыкании формы. Машина BEKUM
Мысли в виду новых обстоятельств: 1)Старый распред , 574сх. При выключеном э/м в нейтрали поток насоса Р1 идёт прямо. При включенном э/м поток идёт на лево к выходу МАТ к материальному цилиндру. 2) Новый распред , 574Е . При выключенном э/м нижний распред сразу перекинет направление потока на лево в направлении к мат. Цилиндру. При включенном э/м поток пойдёт прямо. То есть нижний основной золотник теперь работает наоборот. Думаем как это повлияло на систему? Без циклограммы неудобно. (У этого реверса видим управление Х внешнее, заведено от насоса Р3. СливY в основной слив. Если продаёт давление На насосе Р3 то исчезнет управление Х с левой стороны и пружина нижнего золотника поставит его в нейтраль. ) это так для инфы. Ачто даёт нам изменение схемы распределения потока насоса Р1 пока не соображу.
-
ЗЮМ
- Эксперт Гидравлик
- Сообщения: 5718
- Зарегистрирован: 24 окт 2012, 20:41
- Страна, Регион, Область: СССР
- Город: Деревня Малая Малявня
- Откуда: деревня МАЛАЯ МАЛЯВНЯ
- Благодарил (а): 610 раз
- Поблагодарили: 834 раза
Re: Падает высокое давление при смыкании формы. Машина BEKUM
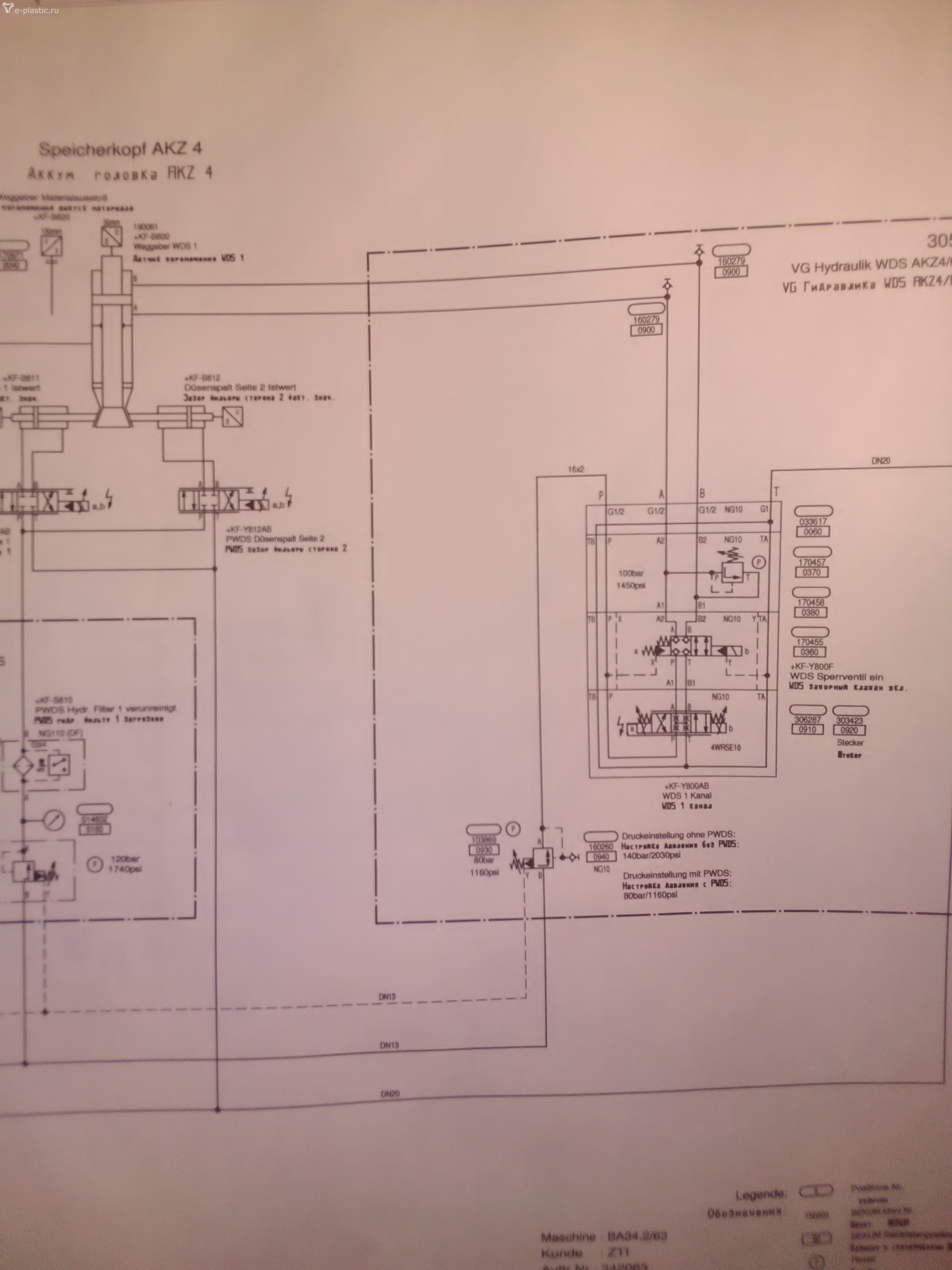
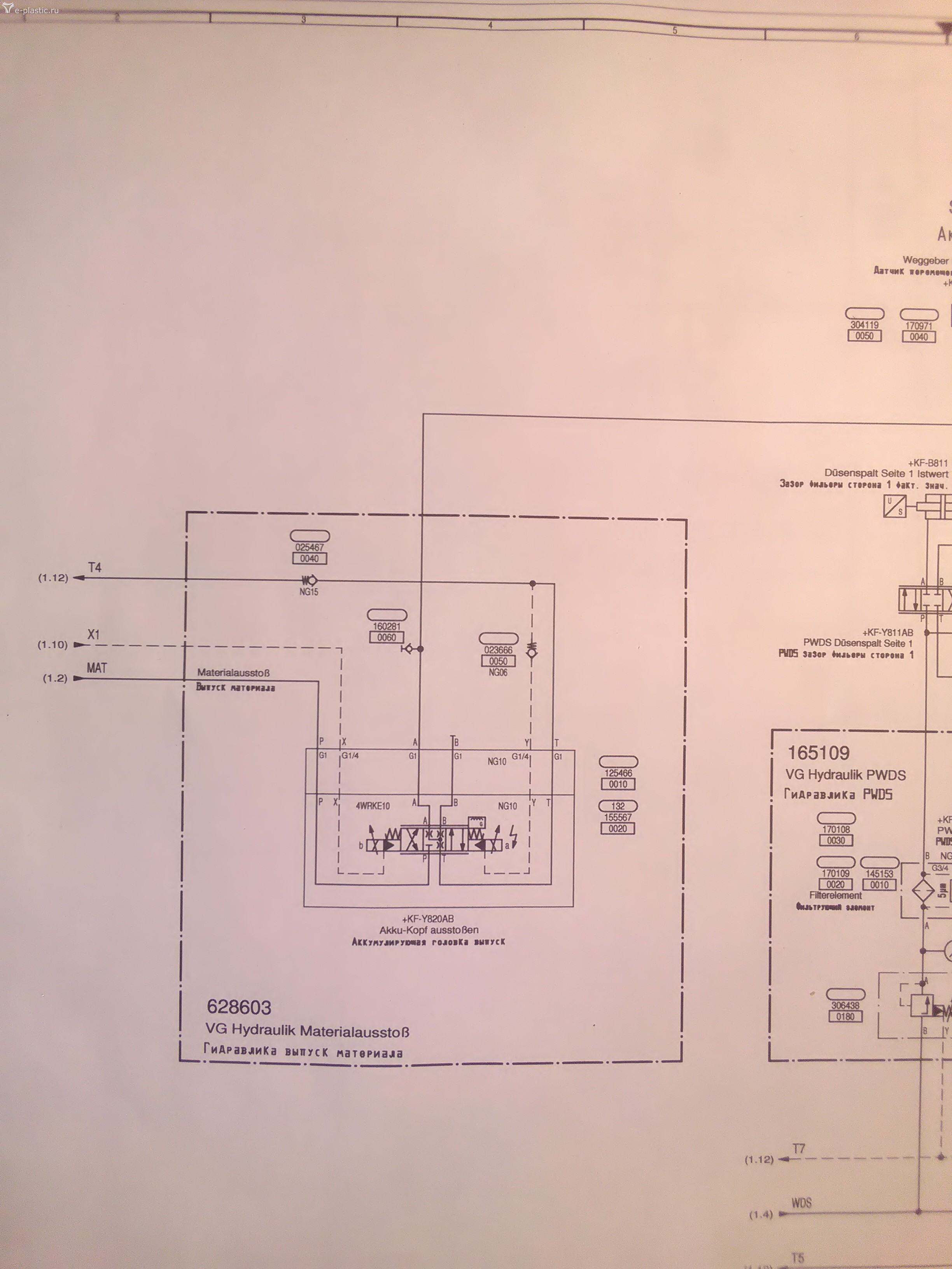
Поток на лево к выходу МАТ идёт от насоса Р1 низ. Давл. В направлении одного из блоков экстузионной системы материального цилиндра, его задача выпуск материала. Блоков там три, лист сх √5. К остальным Двум блокам идёт поток насоса высокого давления Р3. Через выход WDS/PWDS. Средний блок управляет фильерой. Правый блок отвечает за WDS/PWDS.
-
ЗЮМ
- Эксперт Гидравлик
- Сообщения: 5718
- Зарегистрирован: 24 окт 2012, 20:41
- Страна, Регион, Область: СССР
- Город: Деревня Малая Малявня
- Откуда: деревня МАЛАЯ МАЛЯВНЯ
- Благодарил (а): 610 раз
- Поблагодарили: 834 раза
Re: Падает высокое давление при смыкании формы. Машина BEKUM
При замене распреда 574Е изменился алгоритм подачи потока к выпуску материала. Возможно в тот момент кода включается зажим формы от насоса высокого давления Р3. К нему в помощь прёт поток от насоса Р1 с не хилым литражом . А в сторону выпуска материала ни чего не идёт от Р1 в момент зажима. А когда сигнал с 574Е отключится то поток Р1 попрет к выходу МАТ на выпуск материала. Так как машина умудряется работать по материальным делам. Если таким образом на зажим формы пустили два насоса сразу, и чтоб насос низкого давления досылал свои лит-ры до места назначения ,снизили давление на насосе высокого давления из за обратных клапанов препятствующих объединению двух насосов. Вот это круговерть!!! И в этот момент ток на двигателе должен шкалить. И за счёт высокого количества количества литров перекрывается утечка которая сажала насос Р3 по нулям. Всего лишь мысли. Надо много мыслей, и выбрать правильную , которая приходит опосля. И не зная последовательности включения э/м управления все это по воде вилами написано. А это только начало. С него и надо начинать. Время сьэкономим.
-
ЗЮМ
- Эксперт Гидравлик
- Сообщения: 5718
- Зарегистрирован: 24 окт 2012, 20:41
- Страна, Регион, Область: СССР
- Город: Деревня Малая Малявня
- Откуда: деревня МАЛАЯ МАЛЯВНЯ
- Благодарил (а): 610 раз
- Поблагодарили: 834 раза
Re: Падает высокое давление при смыкании формы. Машина BEKUM
К этому подопытному распреду ещё Артур послал реплику что этот узел не для всех машин актуален. И подсказал где заменили на 574Е. Тумана стало больше.
- Вложения
-
- IMG-20231204-WA0003.jpg (63.17 КБ) 7820 просмотров
-
ЗЮМ
- Эксперт Гидравлик
- Сообщения: 5718
- Зарегистрирован: 24 окт 2012, 20:41
- Страна, Регион, Область: СССР
- Город: Деревня Малая Малявня
- Откуда: деревня МАЛАЯ МАЛЯВНЯ
- Благодарил (а): 610 раз
- Поблагодарили: 834 раза
Re: Падает высокое давление при смыкании формы. Машина BEKUM
Разберёмся с нижним распределителем , какова его схема. Смотрим таблицу. Схема 573. Которую по моему превратили в схему, ну заставили работать по схеме 573Е. Не вероятно. Ведь там пружина на золотнике только с одной стороны. И при новой ситуации она при работе в холостую всегда будет сжата и долго не проживет. Надо сделать как было. Уважаемый iks81 конечно в курсе.
- Вложения
-
- i (3).jpeg (180.84 КБ) 7811 просмотров
-
ЗЮМ
- Эксперт Гидравлик
- Сообщения: 5718
- Зарегистрирован: 24 окт 2012, 20:41
- Страна, Регион, Область: СССР
- Город: Деревня Малая Малявня
- Откуда: деревня МАЛАЯ МАЛЯВНЯ
- Благодарил (а): 610 раз
- Поблагодарили: 834 раза
Re: Падает высокое давление при смыкании формы. Машина BEKUM
Далее рисуем подробную схему распреда 573. Просим Артура сказать по поводу +HY-Y8820F нам любая инфа важна. 
-
Артур69
- Сообщения: 3455
- Зарегистрирован: 02 фев 2020, 10:56
- Страна, Регион, Область: Германия
- Город: NRW
- Благодарил (а): 1219 раз
- Поблагодарили: 1430 раз
Re: Падает высокое давление при смыкании формы. Машина BEKUM
Даже не знаю чем. Baugruppe, может и Baureihe называться , такое расплывчатое понятие. Это могут быть одинаковые , но в чем-то различные машиныЗЮМ писал(а): 04 дек 2023, 19:08 Далее рисуем подробную схему распреда 573. Просим Артура сказать по поводу +HY-Y8820F нам любая инфа важна.![]()
Baugruppe 130kN Maschine, например, может быть и компонент , часть одной системы . И это используется чаще . Я не знаю выдувные машины. Есть там взаимозаменяемые части ?
Как пример. Spritzgussmaschine (ТПА) имеет две Baugruppe. Spritzeinheit( Часть впрыска . Цилиндр ,шнек итд. Короче вся правая часть) и Schließeinheit ( Вся левая часть машины.
Короче нужен шестизначный номер на шилде или в доках. Тогда может будет яснее.
Nein zum Krieg.
-
ЗЮМ
- Эксперт Гидравлик
- Сообщения: 5718
- Зарегистрирован: 24 окт 2012, 20:41
- Страна, Регион, Область: СССР
- Город: Деревня Малая Малявня
- Откуда: деревня МАЛАЯ МАЛЯВНЯ
- Благодарил (а): 610 раз
- Поблагодарили: 834 раза
Re: Падает высокое давление при смыкании формы. Машина BEKUM
Как было.
Последний раз редактировалось ЗЮМ 04 дек 2023, 20:00, всего редактировалось 1 раз.
-
Артур69
- Сообщения: 3455
- Зарегистрирован: 02 фев 2020, 10:56
- Страна, Регион, Область: Германия
- Город: NRW
- Благодарил (а): 1219 раз
- Поблагодарили: 1430 раз
Re: Падает высокое давление при смыкании формы. Машина BEKUM
628603 . Короче . Это номер блока сброса материала. Стоит на схеме. И для этого блока ,этой Baugruppe, ставят вентиль тот что обведён. Позапутано . Значит это не разные машины, а разные части одной назвали Baugruppe .
Nein zum Krieg.
-
ЗЮМ
- Эксперт Гидравлик
- Сообщения: 5718
- Зарегистрирован: 24 окт 2012, 20:41
- Страна, Регион, Область: СССР
- Город: Деревня Малая Малявня
- Откуда: деревня МАЛАЯ МАЛЯВНЯ
- Благодарил (а): 610 раз
- Поблагодарили: 834 раза
Re: Падает высокое давление при смыкании формы. Машина BEKUM
Было - Стало. Примерно так.завтра поправят если че. Электро гидравлическое управление с пружинным возвратом. 573 с условным проходом 22 мм.
-
ЗЮМ
- Эксперт Гидравлик
- Сообщения: 5718
- Зарегистрирован: 24 окт 2012, 20:41
- Страна, Регион, Область: СССР
- Город: Деревня Малая Малявня
- Откуда: деревня МАЛАЯ МАЛЯВНЯ
- Благодарил (а): 610 раз
- Поблагодарили: 834 раза
Re: Падает высокое давление при смыкании формы. Машина BEKUM
Не, в такой ситуации быстро не отпрыгнешь. Даже если придет академик семь пядей во лбу. Попросит циклограмму, не диаграмму. А метод тыка потребует уйму времени и денег. Плюс простой машины. Берегите документацию. Где то я уже это писал.
-
ЗЮМ
- Эксперт Гидравлик
- Сообщения: 5718
- Зарегистрирован: 24 окт 2012, 20:41
- Страна, Регион, Область: СССР
- Город: Деревня Малая Малявня
- Откуда: деревня МАЛАЯ МАЛЯВНЯ
- Благодарил (а): 610 раз
- Поблагодарили: 834 раза
Re: Падает высокое давление при смыкании формы. Машина BEKUM
Колхозная Циклограмма. На будущее переименовать этот гимор, наклеить подписать фишки и упорядочить последовательность включений. Прописать красивую таблицу хотя бы примерно так. Всегда так делали. Оч оперативно помогает. На фото. Зажим гидравлической гайки - зажим формы. Вот тут и падает давление. Если нагрузка насоса Р3 есть то ясно что давление исчезает при включении или 1.120 или 1.140 забыл крестик поставить на 3.300
-
ЗЮМ
- Эксперт Гидравлик
- Сообщения: 5718
- Зарегистрирован: 24 окт 2012, 20:41
- Страна, Регион, Область: СССР
- Город: Деревня Малая Малявня
- Откуда: деревня МАЛАЯ МАЛЯВНЯ
- Благодарил (а): 610 раз
- Поблагодарили: 834 раза
Re: Падает высокое давление при смыкании формы. Машина BEKUM
Колхозная Циклограмма. На будущее переименовать этот гимор, наклеить подписать фишки и упорядочить последовательность включений. Прописать красивую таблицу хотя бы примерно так. Всегда так делали. Оч оперативно помогает. На фото. Зажим гидравлической гайки - зажим формы. Вот тут и падает давление. Если нагрузка насоса Р3 есть то ясно что давление исчезает при включении или 1.120 или 1.140 забыл крестик поставить на 3.300 Крест- включено. О - выключено. Эту линию Насоса Р3 можно с помощниками и в ручную проверить
Нажимая группу магнитов руками. Вначале нажимаем два магнита 1.050 и 1.160. Смотрим манометр левый. Если нагрузку держит. Добавляем нажимаем третий 1.120. Если держит давление добавляем четвертый1.140. Остальные два на втором листе в отключке и стоят каналы в тупиках. Далее видно будет. На каком этапе пропадает давление там и оглянутся вокруг по запорной аппаратуре. В этот момент проверки насос Р1 работает на холостых оборотах. И вроде как мешать не должен. Только форму предварительно закрыть что бы не сломать гидрогайку. Не знаю как там все привязано. Хотя гайке ни чего не угрожает до неё масло пока не дойдёт до цилиндра формы то же. Можно четыре магнита давить. Давление должно держать. 100%
Нажимая группу магнитов руками. Вначале нажимаем два магнита 1.050 и 1.160. Смотрим манометр левый. Если нагрузку держит. Добавляем нажимаем третий 1.120. Если держит давление добавляем четвертый1.140. Остальные два на втором листе в отключке и стоят каналы в тупиках. Далее видно будет. На каком этапе пропадает давление там и оглянутся вокруг по запорной аппаратуре. В этот момент проверки насос Р1 работает на холостых оборотах. И вроде как мешать не должен. Только форму предварительно закрыть что бы не сломать гидрогайку. Не знаю как там все привязано. Хотя гайке ни чего не угрожает до неё масло пока не дойдёт до цилиндра формы то же. Можно четыре магнита давить. Давление должно держать. 100%
-
ЗЮМ
- Эксперт Гидравлик
- Сообщения: 5718
- Зарегистрирован: 24 окт 2012, 20:41
- Страна, Регион, Область: СССР
- Город: Деревня Малая Малявня
- Откуда: деревня МАЛАЯ МАЛЯВНЯ
- Благодарил (а): 610 раз
- Поблагодарили: 834 раза
Re: Падает высокое давление при смыкании формы. Машина BEKUM
Что касается давления управления: Там и внешнее управление Х и Х1 и внутреннее от основного потока. На холостых оборотах работы насоса по идее должно быть давление управления дежурное смотреть на правом монометре. И если аккумуляторы заряжены оно должно быть по любому. А когда работает разгрузка я не знаю. Наверное при сбое машины при ошибке и когда выключаем гидропривод.
-
ЗЮМ
- Эксперт Гидравлик
- Сообщения: 5718
- Зарегистрирован: 24 окт 2012, 20:41
- Страна, Регион, Область: СССР
- Город: Деревня Малая Малявня
- Откуда: деревня МАЛАЯ МАЛЯВНЯ
- Благодарил (а): 610 раз
- Поблагодарили: 834 раза
Re: Падает высокое давление при смыкании формы. Машина BEKUM
При включении высокого давления на зажим насос Р3 работает один и объединяться с насосом Низкого давления Р1 не должен.
-
ЗЮМ
- Эксперт Гидравлик
- Сообщения: 5718
- Зарегистрирован: 24 окт 2012, 20:41
- Страна, Регион, Область: СССР
- Город: Деревня Малая Малявня
- Откуда: деревня МАЛАЯ МАЛЯВНЯ
- Благодарил (а): 610 раз
- Поблагодарили: 834 раза
Re: Падает высокое давление при смыкании формы. Машина BEKUM
Качает Р3 на зажим формы 26 литров в минуту причём на входе в блок гидрогайки стоит демпфер 2 мм и нет никакого смысла дуть туда больше литров. И условный проход распреда 6 мм. А вот на закрытие формы условный проход 25 мм и там уже идёт литраж Насоса Р1 спсобный выдать 150 литров. При достижении давления автоматически снижает литраж. Спасая мотор от высоких токов в обмотке.
-
ЗЮМ
- Эксперт Гидравлик
- Сообщения: 5718
- Зарегистрирован: 24 окт 2012, 20:41
- Страна, Регион, Область: СССР
- Город: Деревня Малая Малявня
- Откуда: деревня МАЛАЯ МАЛЯВНЯ
- Благодарил (а): 610 раз
- Поблагодарили: 834 раза
Re: Падает высокое давление при смыкании формы. Машина BEKUM
И ещё к нагреву мотора. Если есть утечка в системе насос 26 литров Р 3 постоянного литража просто потеряет давление а насос 150 литров Р1 переменной саморегулируемый насос видя утечку будет дуть на максимум возможных 150 литров стремясь достичь своих атмосфер для ухода автоматически в минимум литража оставляя необходимое количество литров для поддержания 150 бар. Он является энергосберегающих насосом. И если он не достигнет своей полки по давлению так и будет дуть как сумашедший. ( Смотреть настройку по давлению пропорционалного кл).Греть масло и мотор.
-
ЗЮМ
- Эксперт Гидравлик
- Сообщения: 5718
- Зарегистрирован: 24 окт 2012, 20:41
- Страна, Регион, Область: СССР
- Город: Деревня Малая Малявня
- Откуда: деревня МАЛАЯ МАЛЯВНЯ
- Благодарил (а): 610 раз
- Поблагодарили: 834 раза
Re: Падает высокое давление при смыкании формы. Машина BEKUM
Один из примеров работы насоса Р1https://youtu.be/0zpJdFIXgUY?feature=shared Простыми словами на сколько помню. За скорости движений конечно отвечают местные пропорциональные распределителти. Так как дросселей регулирующих на схеме нет. Насос же при потребности уменьшить или увеличить литраж подачи чутко реагирует на запрос потребителей и за счёт перепадов давления снижает или наоборот даёт больше поток.
- Woolfy
- Сообщения: 834
- Зарегистрирован: 08 июн 2018, 08:12
- Страна, Регион, Область: Россия
- Город: Новосибирск
- Благодарил (а): 707 раз
- Поблагодарили: 355 раз
Re: Падает высокое давление при смыкании формы. Машина BEKUM
По поводу циклограммы. Может помочь видео вкладок ВХОДЫ и ВЫХОДЫ, снятый на протяжении 2 - 3 циклов. Язык лучше английский.
С уважением. Белый и пушистый, а не серый и лохматый.
-
ЗЮМ
- Эксперт Гидравлик
- Сообщения: 5718
- Зарегистрирован: 24 окт 2012, 20:41
- Страна, Регион, Область: СССР
- Город: Деревня Малая Малявня
- Откуда: деревня МАЛАЯ МАЛЯВНЯ
- Благодарил (а): 610 раз
- Поблагодарили: 834 раза
Re: Падает высокое давление при смыкании формы. Машина BEKUM
https://youtu.be/euoz1zxl_Mg?feature=sharedВ начале видео как раз о наших 574, 574А,574Е, 573. Для начинающих
-
ЗЮМ
- Эксперт Гидравлик
- Сообщения: 5718
- Зарегистрирован: 24 окт 2012, 20:41
- Страна, Регион, Область: СССР
- Город: Деревня Малая Малявня
- Откуда: деревня МАЛАЯ МАЛЯВНЯ
- Благодарил (а): 610 раз
- Поблагодарили: 834 раза
Re: Падает высокое давление при смыкании формы. Машина BEKUM
На этой неделе обещают продолжить поиск поломки. Схема на первый взгляд сложная. На самом деле вроде и нет. Спасибо.Woolfy писал(а): 05 дек 2023, 15:21 По поводу циклограммы. Может помочь видео вкладок ВХОДЫ и ВЫХОДЫ, снятый на протяжении 2 - 3 циклов. Язык лучше английский.
-
ЗЮМ
- Эксперт Гидравлик
- Сообщения: 5718
- Зарегистрирован: 24 окт 2012, 20:41
- Страна, Регион, Область: СССР
- Город: Деревня Малая Малявня
- Откуда: деревня МАЛАЯ МАЛЯВНЯ
- Благодарил (а): 610 раз
- Поблагодарили: 834 раза
Re: Падает высокое давление при смыкании формы. Машина BEKUM
Поступить можно следующим образом: Нужны два помошника. 1) Включаем гидравлику. 2) Нажимаем в ручную по порядку по пути движения масла насоса Р3- 26 литров. Давление предохранительного клапана 1.030 можно сбросить до 50 -100 бар. Далее нажимаем и удерживаем 1)1.050 2) 1.160 3) 1.120а 4)1.140в 5) 1.130а следим с каждым дополнительным нажатием за манометром 0.410 левым около аккумулятора. Фиксируем момент исчезновения давления если это произойдет. Что проверять если давление исчезло ? Тот аппарат при нажатии на который давление исчезло и далее по пути потока Границы в синию линию слива на расстоянии от 2,5 мм. (Скол перемычек в корпусе, трещины, засор запавший в углублениях....) Затем проверяем запорную и распределительную аппаратуру согласно схемы. Это: 1)1.090 2)1.400 3)1.130 4)1.120 5)1.200. На старте. При включении гидропривода обратить внимание что активно по эл магнитам в системе проанализировать не будет ли помех при проверке. Все пока. Так поступают три слесаря которые не бум бум в системе управления и электротехнике. Необходимо точно знать расположение перечисленных клапанов. Приготовить удобные нажималки что бы не повредить кнопки принудительного включения эл магнитов. Потом проверить вернулась ли кнопка в исходное положение. Давление сбросить. Ни к чему напрягать в 200 бар. Разьемы на будущее подписать. Поток будет направлен в единственный порт HD к блоку управления гидрогайкой и цилиндром смыкания. Там ни чего не нажимаем. Каналы на входе в блоки перекрыты. Проверить, обдумать. Мы бы попробовали. Если есть электронщик, пригласить в команду в помощь. Если насос Р1 будет мешать . Сбросить на нем давление ручной регулировкой 1.020 до уровня ниже давления насоса Р1
Последний раз редактировалось ЗЮМ 05 дек 2023, 19:07, всего редактировалось 2 раза.
-
ЗЮМ
- Эксперт Гидравлик
- Сообщения: 5718
- Зарегистрирован: 24 окт 2012, 20:41
- Страна, Регион, Область: СССР
- Город: Деревня Малая Малявня
- Откуда: деревня МАЛАЯ МАЛЯВНЯ
- Благодарил (а): 610 раз
- Поблагодарили: 834 раза
Re: Падает высокое давление при смыкании формы. Машина BEKUM
Woolfy Плохого не посоветует.Woolfy писал(а): 05 дек 2023, 15:21 По поводу циклограммы. Может помочь видео вкладок ВХОДЫ и ВЫХОДЫ, снятый на протяжении 2 - 3 циклов. Язык лучше английский.
-
ЗЮМ
- Эксперт Гидравлик
- Сообщения: 5718
- Зарегистрирован: 24 окт 2012, 20:41
- Страна, Регион, Область: СССР
- Город: Деревня Малая Малявня
- Откуда: деревня МАЛАЯ МАЛЯВНЯ
- Благодарил (а): 610 раз
- Поблагодарили: 834 раза
Re: Падает высокое давление при смыкании формы. Машина BEKUM
Еще надо сказать добавить: Контроль штатный, давления в аккумуляторе и магистрали насоса высокого давления Р3 есть. Как падает давление? Медленно, плавно, быстро, мгновенно.? Вероятные места участки магистралей некоторые окружены демпферами которые не позволят быстро сбросить в бак 26 литров насоса плюс 39 литров аккумулятора, всего в сумме 65 литров масла. Значит надо рассматривать места с большим условным проходом а Это: 1.120 Ду 6мм, основной предохранительный клапан 1.030 Ду 6мм. И надо иметь ввиду что пробки внутри аппаратов и демпферы имеют свойство самопроизвольно выкручиваться и болтаться в системе или улетать в бак. Реверс 1.140 основной золотник не имеет связи с баком только через пилот управления но и тут проход 6 мм в бак с торцев большого золотника.Обратить внимание на обратный клапан 1.055 с проходом 10 мм в разгрузку пилота 1.050 Если он в отключке. При заряженном аккумуляторе и затем выключенном 1.050 (разгрузка насоса Р3) давление в линии аккумулятора должно сохраняться. Нельзя исключать и кратковременные сбои в электросхеме. И роль задержек ?
Кто сейчас на конференции
Сейчас этот форум просматривают: нет зарегистрированных пользователей и 1 гость